E
EPC Data

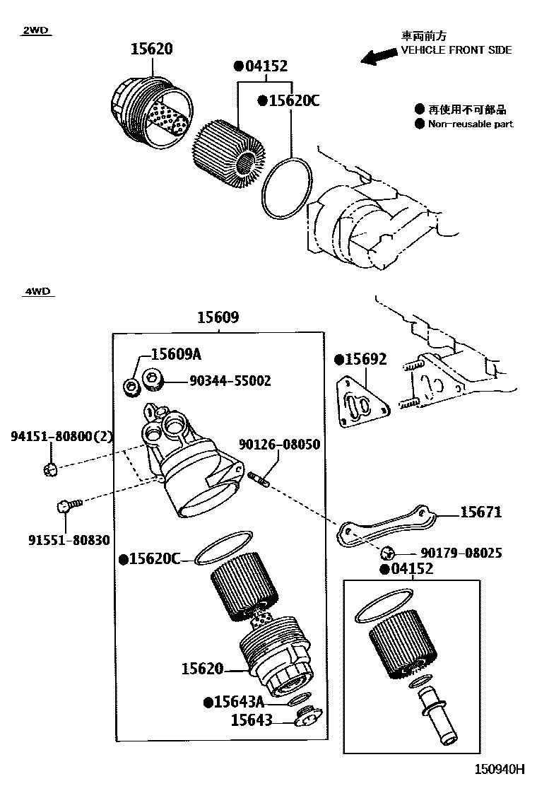
OIL FILTER

Parts diagram
04152ELEMENT KIT, OIL FILTER
main04152-31060i200501-200610
main04152-31080i200501-201112
main04152-38010i200610-201112
15609BRACKET SUB-ASSY, OIL FILTER
main15609-50140i200501-200709
main15670-31020i200501-200709
15609APLUG, TAPER SCREW(FOR OIL FILTER BRACKET)
main90344-54006i200501-200709
15620CAP ASSY, OIL FILTER
main15620-31040i200501-200709
main15620-31050i200501-200709
main15650-38020i200709
15620CGASKET(FOR OIL FILTER CAP)
main90301-79005i200501-200610
main90301-79006i200610-200709
main90301-79006i200709
NO.1
main96723-35028i200709
NO.2
15643PLUG, OIL FILTER DRAIN
main15643-31040i200501-200707
main15643-31050i200707-200709
15643ARING, O(FOR OIL FILTER DRAIN PLUG)
main96723-35028i200501-200709
15671BRACKET, OIL FILTER
main15671-31020i200501-200709
15692GASKET, OIL FILTER BRACKET
main15692-31020i200501-200709
main15692-50020i200501-200709
main96722-24030i200709
9012608050
9017908025
9034455002
9155180830
9415180800

14 parts on this diagram · 3 diagrams in section

OIL FILTER — Toyota Parts Diagram with OEM Numbers & Prices | EPC Data