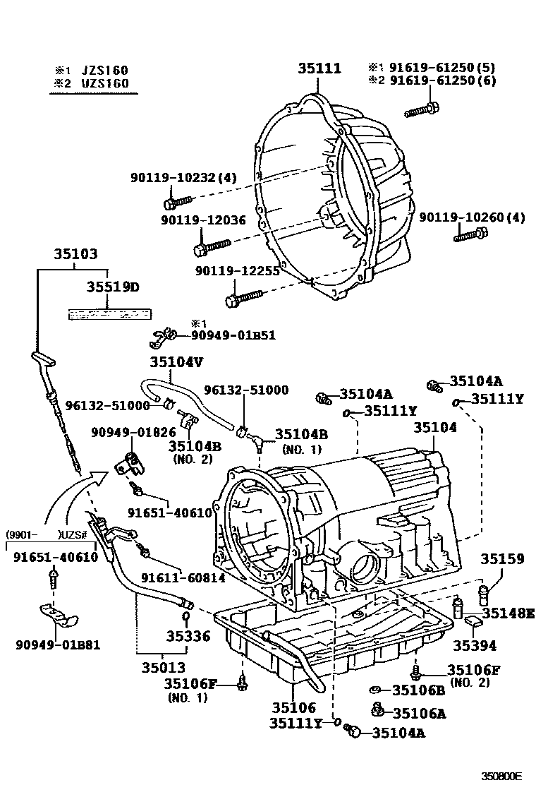
TRANSMISSION CASE & OIL PAN (ATM)

35013TUBE SUB-ASSY, TRANSMISSION OIL FILLER
35103GAGE SUB-ASSY, TRANSMISSION OIL LEVEL
35104CASE SUB-ASSY, AUTOMATIC TRANSMISSION
35104APLUG, AUTOMATIC TRANSMISSION CASE
35104BPLUG, BREATHER, NO.1 (ATM)
NO.1
NO.2
NO.2
35106PAN SUB-ASSY, AUTOMATIC TRANSMISSION OIL
35106APLUG SUB-ASSY, DRAIN (ATM)
35106BGASKET, DRAIN PLUG (ATM)
35106FBOLT (FOR AUTOMATIC TRANSMISSION OIL PAN)
NO.1
NO.2
35111YRING, O (FOR AUTOMATIC TRANSMISSION CASE)
35148EGASKET, BRAKE DRUM, NO.2
35159GASKET, BRAKE DRUM
35336RING, O (FOR TRANSMISSION OIL FILLER TUBE)
35394MAGNET, OIL CLEANER (FOR TRANSMISSION)
35519DLABEL, AUTOMATIC TRANSMISSION INFORMATION
9011910232
main90119-10232
9011910260
main90119-10260
9011912036
main90119-12036
9011912255
main90119-12255
9094901826
main90949-01826
9094901B51
main90949-01B51
9094901B81
main90949-01B81
9161160814
main91611-60814
9161961250
main91619-61250
9165140610
main91651-40610
9613251000
main96132-51000
28 parts on this diagram · 1 diagram in section