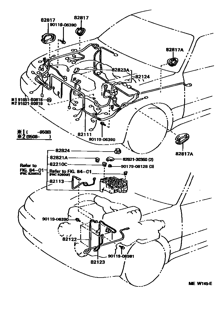
WIRING & CLAMP

82111WIRE, ENGINE ROOM MAIN
W(*TRC)
W(*TRC)
82113WIRE, ENGINE ROOM, NO.3
82124WIRE, ENGINE, NO.4
82210CFUSIBLE LINK
40A,TERM.:FEMALE,GRN
60A,TERM.:MALE,YEL
50A,TERM.:FEMALE,RED
100A,TERM.:MALE,BLUE
20A,YELLOW
82817PROTECTOR, WIRING HARNESS, NO.1
FRONT APRON RH
FENDER GUSSET RH
REAR APRON RH
82817APROTECTOR, WIRING HARNESS, NO.2
FRONT APRON LH
APRON MEMBER LH
REAR APRON LH
82821ACOVER, CONNECTOR
82823ACAP, TERMINAL, NO.2
82824CONNECTOR, WIRING HARNESS
8401SWITCH & RELAY & COMPUTER
8282130360RETAINER, HEADLAMP HARNESS
main82821-30360
9011906390
main90119-06390
9011908981
main90119-08981
9017906128
main90179-06128
91621B0816
main91621-B0816
91651B0816
main91651-B0816
18 parts on this diagram · 12 diagrams in section