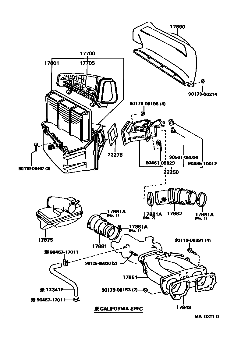
AIR CLEANER

17341FHOSE, AIR, NO.1
CALIFORNIA SPEC
17700CLEANER ASSY, AIR
17705CAP SUB-ASSY, AIR CLEANER
17801ELEMENT SUB-ASSY, AIR CLEANER FILTER
17849GASKET, INTAKE AIR CONNECTOR
17861CONNECTOR, INTAKE AIR
17875PIPE, INTAKE AIR CONNECTOR
17881HOSE, AIR CLEANER, NO.1
17881ACLAMP(FOR AIR CLEANER HOSE, NO.1)
NO.1
NO.1
NO.2
17882HOSE, AIR CLEANER, NO.2
17890HOSE ASSY, AIR CLEANER, NO.2
22250METER ASSY, INTAKE AIR FLOW
22275GASKET, AIR FLOW METER
9011906467
main90119-06467
9011908891
main90119-08891
9012608020
main90126-08020
9017906195
main90179-06195
9017906214
main90179-06214
9017908153
main90179-08153
9038510012
main90385-10012
9046108829
main90461-08829
9046717011
main90467-17011
9056108006
main90561-08006
23 parts on this diagram · 2 diagrams in section