E
EPC Data

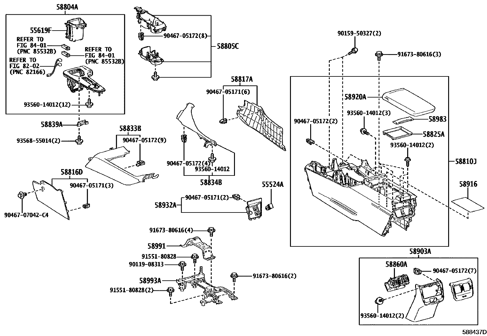
CONSOLE BOX & BRACKET

Parts diagram
55524ACOVER, SWITCH BASE HOLE
main55524-12010-C0i202301
BLACK
55619FHOLDER, CONSOLE BOX CUP, NO.2
main55630-30020i202301
58804APANEL SUB-ASSY, CONSOLE, UPPER
main58804-30A60-B0i202301-202310
DK.GRAY,TRIM0#,2#
main58804-30J20i202310
58805CPANEL SUB-ASSY, CONSOLE, UPPER REAR
main58805-30A60i202301-202310
main58805-30B00i202310-202404
main58805-30B01i202404
58810JBOX ASSY, CONSOLE
main58810-30D70-C0i202310-202404
BLACK/FROMAGE,TRIM00
main58810-30D70-C1i202301-202404
BLACK/BLACK,TRIM20,21
main58810-30D70-C2i202301-202404
BLACK/DK.CHESTNUT,TRIM23
main58810-30D70-C6i202404
FROMAGE/WARM SATIN SILVER,TRIM0#
main58810-30D70-C7i202310
BLACK/ SATIN SILVER,TRIM20
main58810-30D70-C8i202310-202404
DK.CHESTNUT/WARMSATINSILV,TRIM23
main58810-30D70-C9i202404
BLACK/SADDLE TAN,TRIM24
main58810-30D90-C5i202404
BLACK PACKAGE,BLACK/WARM SATIN SILVER,TRIM2#
58816DINSERT, CONSOLE BOX, FRONT NO.1
main58816-30120-C0i202301
BLACK,TRIM0#,2#
58817AINSERT, CONSOLE BOX, FRONT NO.2
main58817-30060-C0i202301
BLACK,TRIM0#,2#
58825APOCKET, CONSOLE BOX
main58825-30170i202301
58833BGARNISH, CONSOLE UPPER PANEL, NO.1
main58833-30230-A0i202301-202310
FROMAGE,TRIM0#
main58833-30230-C0i202301-202310
BLACK,TRIM20,21,22
main58833-30230-E0i202301-202310
DK.CHESTNUT,TRIM23
main58833-30290-A0i202310
FROMAGE,TRIM0#
main58833-30290-C0i202310
BLACK,TRIM2#
main58833-30290-E0i202404
SADDLE TAN,TRIM24
main58833-30290-E1i202310-202404
DK.CHESTNUT,TRIM23
main58833-30250-C1i202404
BLACK PACKAGE,BLACK,TRIM2#
58834BGARNISH, CONSOLE UPPER PANEL, NO.2
main58834-30130-A0i202301-202310
FROMAGE,TRIM0#
main58834-30130-C0i202301-202310
BLACK,TRIM20,21,22
main58834-30130-E0i202301-202310
DK.CHESTNUT,TRIM23
main58834-30220-A0i202310
FROMAGE,TRIM0#
main58834-30220-C0i202310
BLACK,TRIM2#
main58834-30220-E0i202404
SADDLE TAN,TRIM24
main58834-30220-E1i202310-202404
DK.CHESTNUT,TRIM23
main58834-30150-C1i202404
BLACK PACKAGE,BLACK,TRIM2#
58839ACOVER, CONSOLE BOX HOLE
main58839-30090i202301
58860AREGISTER ASSY, CONSOLE BOX
main58860-30150i202301-202310
main58860-30180i202310
58903APANEL SUB-ASSY, CONSOLE REAR END
main58903-30450-C1i202301-202310
DK.GRAY,TRIM0#,2#
main58903-30500-C1i202310
BLACK/DK.GRAY,TRIM2#
58916MAT, BOX BOTTOM
main58916-30230i202301
58920AARMREST ASSY, REAR CONSOLE
main58920-30340-A1i202312
FROMAGE/SATIN SILVER,TRIM0#
main58920-30340-C0i202301-202404
BLACK/BLACK,TRIM20,21
main58920-30340-C1i202312
BLACK/SATIN SILVER,TRIM20
main58920-30340-E0i202301-202404
DK.CHESTNUT/DK.CHESTNUT,TRIM23
main58920-30340-E3i202312-202404
DK.CHESTNUT/SATIN SILVER,TRIM23
main58920-30340-E4i202404
SADDLE TAN/SATIN SILVER,TRIM24
main58920-30360-C1i202404
BLACK PACKAGE,BLACK,TRIM2#
58932AGARNISH, REAR CONSOLE BOX
main58932-30070i202301-202307
main58932-30100i202308
58983RETAINER, UPPER CONSOLE
main58983-30190i202301
58991BRACKET, CONSOLE BOX MOUNTING, UPPER
main58991-30180i202301
58993ABRACKET, CONSOLE BOX MOUNTING, LOWER
main58993-30110i202301
8202
8401
9011908313
9015950327
9046705171
9046705172
9046707042C4
9155180828
9167380616
9356014012
9356855014

30 parts on this diagram · 1 diagram in section

CONSOLE BOX & BRACKET — Toyota Parts Diagram with OEM Numbers & Prices | EPC Data