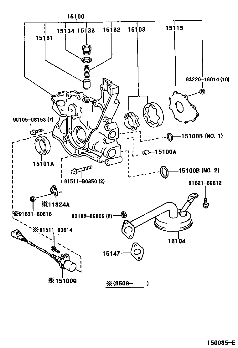
ENGINE OIL PUMP

11324APLATE, TIMING BELT
15100PUMP ASSY, OIL
15100APIN, RING(FOR OIL PUMP SET)
15100BRING, O(FOR OIL PUMP)
N0.1
N0.2
15100QSENSOR, CRANK POSITION
15101ASEAL(FOR CRANKSHAFT)
15103GEAR SET, OIL PUMP
15104STRAINER SUB-ASSY, OIL
15115COVER, OIL PUMP
15131VALVE, OIL PUMP RELIEF
15132SPRING, OIL PUMP RELIEF VALVE
15133PLUG, OIL PUMP RELIEF VALVE
15134GASKET, OIL PUMP RELIEF VALVE
15147GASKET, OIL STRAINER
9010508153
main90105-08153
9018206005
main90182-06005
9151160614
main91511-60614
91511B0850
main91511-B0850
9162160612
main91621-60612
9163160616
main91631-60616
9322016014
main93220-16014
21 parts on this diagram · 3 diagrams in section