E
EPC Data

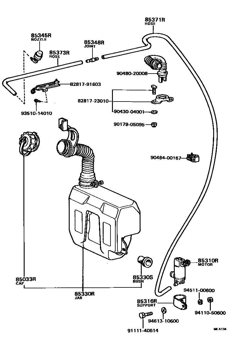
REAR WASHER

Parts diagram
85033RCAP ASSY, REAR WASHER
main85332-20070i198009-198407
85310RMOTOR ASSY, REAR WASHER
main85310-20100i198009-198407
85316RSUPPORT, REAR WASHER MOTOR
main85316-23010i198009-198407
85330RJAR ASSY, REAR WASHER
main85330-91601i198009-198407
85330SBUSH, REAR WASHER JAR
main90099-32089i198009-198407
85345RNOZZLE, REAR WASHER
main85035-16040i198309-198407
main85035-23030i198009-198309
85348RJOINT, REAR WASHER HOSE, NO.1
main85355-87201i198009-198407
85371RHOSE, REAR WASHER (FROM MOTOR TO JOINT)
main90446-06006i198009-198407
L=2000,*H,L=1700
85373RHOSE, REAR WASHER (FROM JOINT TO NOZZLE)
main90099-33299i198009-198407
L=1000(*H,L=400)
8281723010PROTECTOR, WIRING HARNESS, NO.1
8281791603PROTECTOR, WIRING HARNESS, NO.1
9017905095
9043004001
9046400167
9048020008
9111140614
9351014010
9411050600
9451100600
9461310600

20 parts on this diagram · 1 diagram in section

REAR WASHER — Toyota Parts Diagram with OEM Numbers & Prices | EPC Data