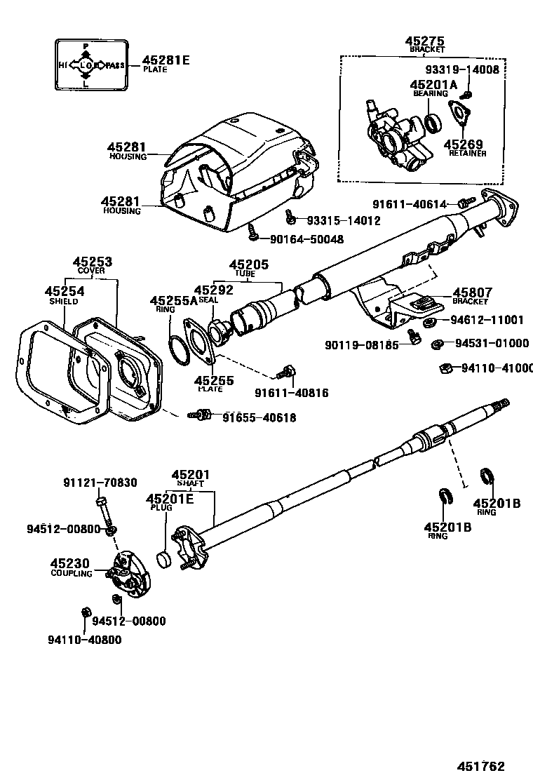
STEERING COLUMN & SHAFT

45201SHAFT SUB-ASSY, STEERING MAIN
45201ABEARING(FOR STEERING MAIN SHAFT)
FOR UPPER
FOR LOWER
45201BRING, SHAFT SNAP(FOR STEERING MAIN SHAFT)
T=1.20,T=1.2
T=1.20,FOR STEERING WHEEL SIDE
45201EPLUG, PLATE(FOR STEERING MAIN SHAFT)
45205TUBE SUB-ASSY, STEERING COLUMN
45230COUPLING ASSY, FLEXIBLE
45253COVER, STEERING COLUMN HOLE
45254SHIELD, STEERING COLUMN HOLE
45255PLATE, STEERING COLUMN HOLE COVER
45255AGROMMET OR RING, O(FOR STEERING COLUMN CLAMP)
45269RETAINER, MAIN SHAFT BEARING
45275BRACKET, STEERING COLUMN, UPPER
45281HOUSING, STEERING COLUMN
BLACK,UPPER,BLACK
GRAY,UPPER,GRAY
BEIGE,UPPER,BEIGE
BLACK,UPPER,BLACK
DARK WINE,UPPER,RED/MAROON
BEIGE,UPPER,BEIGE
BLACK,LOWER,BLACK
GRAY,LOWER,GRAY
BEIGE,LOWER,BEIGE
BLACK,LOWER,BLACK
DARK WINE,LOWER,RED/MAROON
BEIGE,LOWER,BEIGE
45281EPLATE, SAFETY CAUTION
45292SEAL, MAIN SHAFT LOWER DUST
45807BRACKET SUB-ASSY, STEERING COLUMN UPPER SUPPORT
9011908185
main90119-08185
9016450048
main90164-50048
9112170830
main91121-70830
9161140614
main91611-40614
9161140816
main91611-40816
9165540618
main91655-40618
9331514012
main93315-14012
9331914008
main93319-14008
9411040800
main94110-40800
9411041000
main94110-41000
9451200800
main94512-00800
9453101000
main94531-01000
9461211001
main94612-11001
29 parts on this diagram · 3 diagrams in section