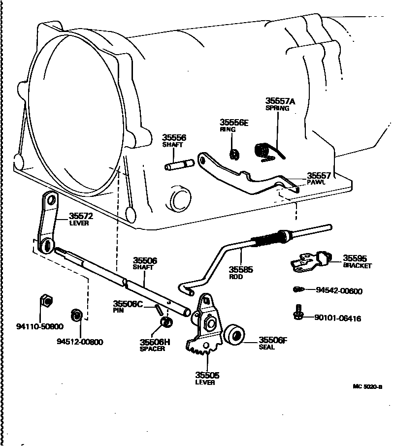
THROTTLE LINK & VALVE LEVER (ATM)

35505LEVER SUB-ASSY, MANUAL VALVE
35506SHAFT SUB-ASSY, MANUAL VALVE LEVER
35506CPIN, SLOTTED SPRING (FOR MANUAL VALVE LEVER SHAFT)
35506FSEAL, OIL (FOR MANUAL VALVE LEVER SHAFT)
35506HSPACER (FOR MANUAL VALVE LEVER SHAFT)
35556SHAFT, PARKING LOCK PAWL
35556ERING, E (FOR PARKING LOCK PAWL SHAFT)
35557PAWL, PARKING LOCK
35557ASPRING, TORSION (FOR PARKING LOCK PAWL)
35572LEVER, TRANSMISSION CONTROL SHAFT, RH
35595BRACKET, PARKING LOCK PAWL
9010106416
main90101-06416
9411050800
main94110-50800
9451200800
main94512-00800
9454200600
main94542-00600
16 parts on this diagram · 2 diagrams in section