E
EPC Data

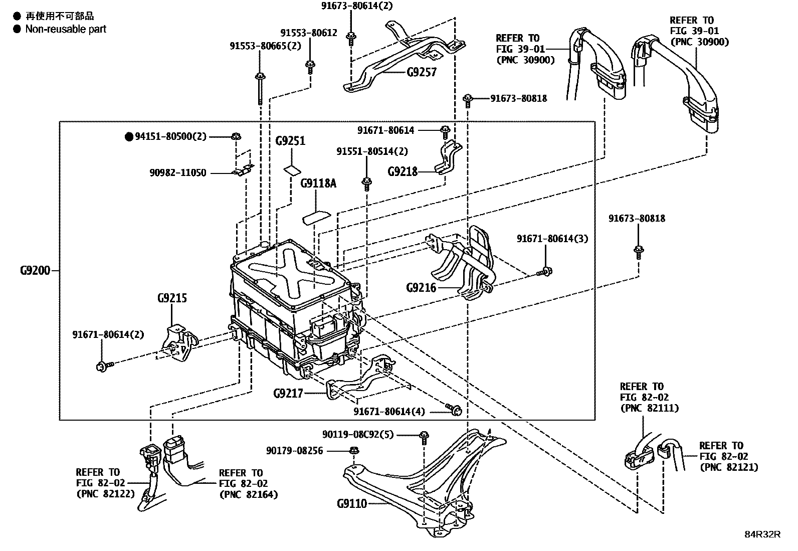
HEV INVERTER

Parts diagram
3901TRANSAXLE ASSY(HEV OR BEV OR FCEV)
8202WIRING & CLAMP
G9110BRACKET ASSY, INVERTER
mainG911075010i200907-201201
G9118ALABEL, HV MOTOR CONTROL INVERTER CAUTION
mainG911830020i200907-201201
G9200INVERTER ASSY, W/CONVERTER
mainG920075010i200907-201201
G9215BRACKET, INVERTER, NO.2
mainG921575010i200907-201201
G9216BRACKET, INVERTER, NO.3
mainG921675010i200907-201201
G9217BRACKET, INVERTER, NO.4
mainG921775010i200907-201201
G9218BRACKET, INVERTER, NO.7
mainG921875010i200907-201201
G9251SEAT, INVERTER NAME
mainG925147010i200907-201201
G9257BRACKET, INVERTER, NO.5
mainG925775010i200907-201201
9011908C92
9017908256
9098211050
9155180514
9155380612
9155380665
9167180614
9167380614
9167380818
9415180500

21 parts on this diagram · 1 diagram in section

HEV INVERTER — Toyota Parts Diagram with OEM Numbers & Prices | EPC Data