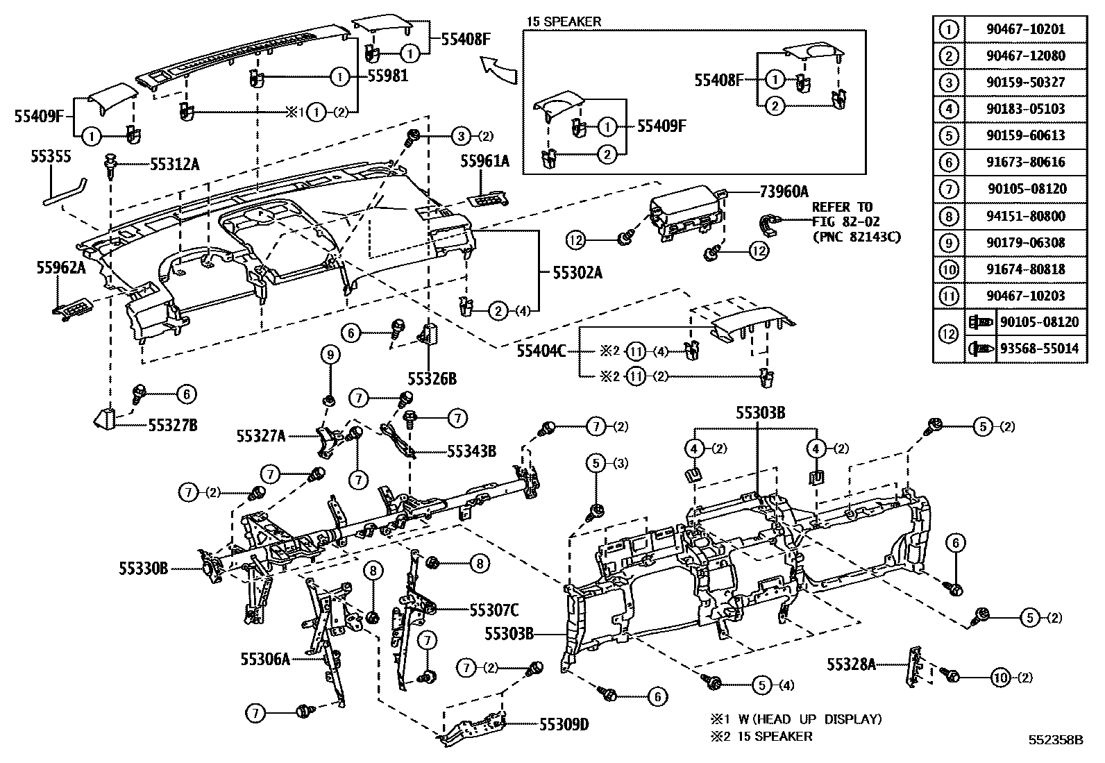
INSTRUMENT PANEL & GLOVE COMPARTMENT

55302APANEL SUB-ASSY, INSTRUMENT, UPPER
BLACK,TRIM06,2#
DK. BROWN,TRIM05,06
55303BPANEL SUB-ASSY, INSTRUMENT, LOWER
55306ABRACE SUB-ASSY, INSTRUMENT PANEL, NO.1
55307CBRACE SUB-ASSY, INSTRUMENT PANEL, NO.2
55309DBRACE SUB-ASSY, INSTRUMENT PANEL TO FLOOR
55312ACLIP, INSTRUMENT PANEL
55326BSTAY, INSTRUMENT PANEL, RH
55327ASTAY, INSTRUMENT PANEL, NO.2
55327BSTAY, INSTRUMENT PANEL, LH
55328ASTAY, INSTRUMENT PANEL, NO.3
55330BREINFORCEMENT ASSY, INSTRUMENT PANEL
55343BBRACE, INSTRUMENT PANEL TO COWL, CENTER
55355CUSHION, INSTRUMENT PANEL, NO.1
55404CPANEL SUB-ASSY, INSTRUMENT CLUSTER FINISH, NO.2
AUDIO-MARK LEVINSON,DVD-CHANGER,15SPEAKER
55408FPANEL SUB-ASSY, INSTRUMENT PANEL SPEAKER, NO.1
BLACK,TRIM06,2#
DK. BROWN,TRIM05,06
AUDIO-MARK LEVINSON,DVD-CHANGER,15SPEAKER,BLACK,TRIM06,2#
AUDIO-MARK LEVINSON,DVD-CHANGER,15SPEAKER,DK. BROWN,TRIM05,06
55409FPANEL SUB-ASSY, INSTRUMENT PANEL SPEAKER, NO.2
BLACK,TRIM06,2#
DK. BROWN,TRIM05,06
AUDIO-MARK LEVINSON,DVD-CHANGER,15SPEAKER,BLACK,TRIM06,2#
AUDIO-MARK LEVINSON,DVD-CHANGER,15SPEAKER,DK. BROWN,TRIM05,06
55961ANOZZLE, SIDE DEFROSTER, RH
BLACK,TRIM06,2#
DK. BROWN,TRIM05,06
55962ANOZZLE, SIDE DEFROSTER, LH
BLACK,TRIM06,2#
DK. BROWN,TRIM05,06
55981GARNISH, DEFROSTER NOZZLE, NO.1
BLACK,TRIM06,2#
DK. BROWN,TRIM05,06
HEAD UP DISPLAY-WITH,BLACK,TRIM06,2#
HEAD UP DISPLAY-WITH,DK. BROWN,TRIM05,06
73960AAIRBAG ASSY, INSTRUMENT PANEL PASSENGER W/O DOOR
8202WIRING & CLAMP
9010508120
main90105-08120
9015950327
main90159-50327
9015960613
main90159-60613
9017906308
main90179-06308
9018305103
main90183-05103
9046710201
main90467-10201
9046710203
main90467-10203
9046712080
main90467-12080
9167380616
main91673-80616
9167480818
main91674-80818
9356855014
main93568-55014
9415180800
main94151-80800
33 parts on this diagram · 4 diagrams in section