E
EPC Data

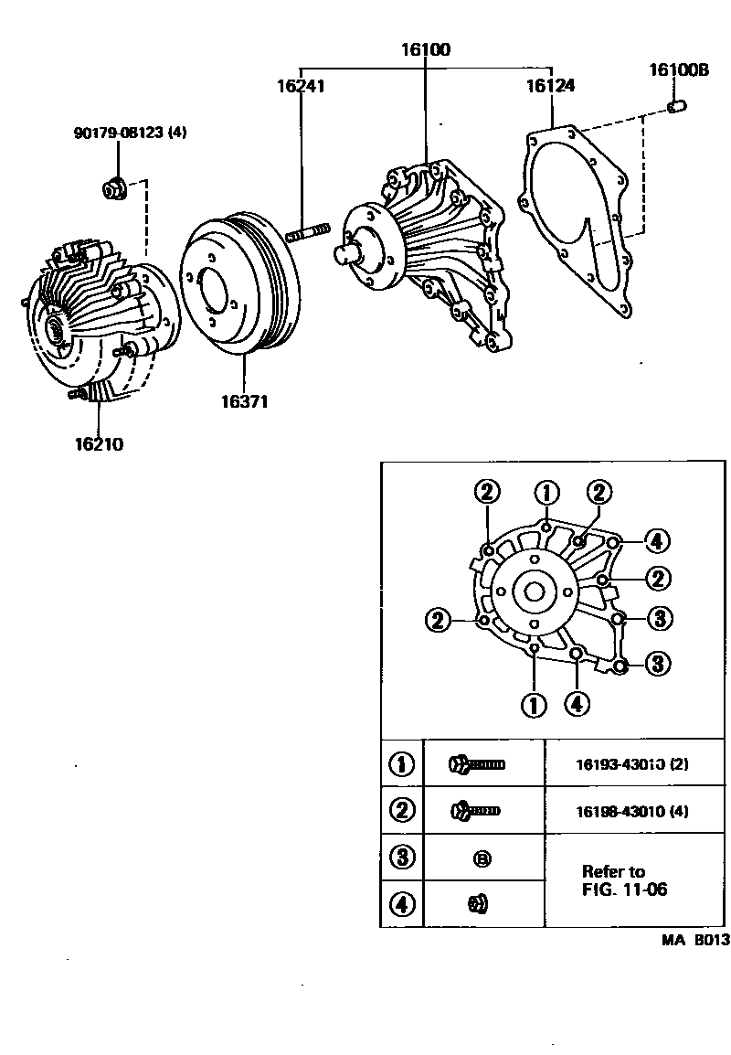
WATER PUMP

Parts diagram
1106TIMING GEAR COVER & REAR END PLATE
16100PUMP ASSY, ENGINE WATER
main16100-49755i198808-199009
main16100-49756i199009-199305
main16100-49775i198907-199008
main16100-49776i199009-199305
16100BPIN, RING(FOR WATER PUMP SET)
main16185-70010×2i198808-198908
16124GASKET, WATER PUMP COVER
main16124-42010i198808-198908
main16124-42020i199008-199305
16210COUPLING ASSY, FLUID
main16210-42060i198808-199305
main16210-42070i198907-199008
16241BOLT, STUD(FOR WATER PUMP COUPLING)
main16198-43040i198808-199305
16371PULLEY, FAN
main16173-42020i198808-199305
main16173-42050i198808-198907
1619343010BOLT, STUD(FOR WATER PUMP COVER)
1619843010BOLT, STUD(FOR WATER PUMP PULLEY SEAT)
9017908123

10 parts on this diagram · 1 diagram in section

WATER PUMP — Toyota Parts Diagram with OEM Numbers & Prices | EPC Data