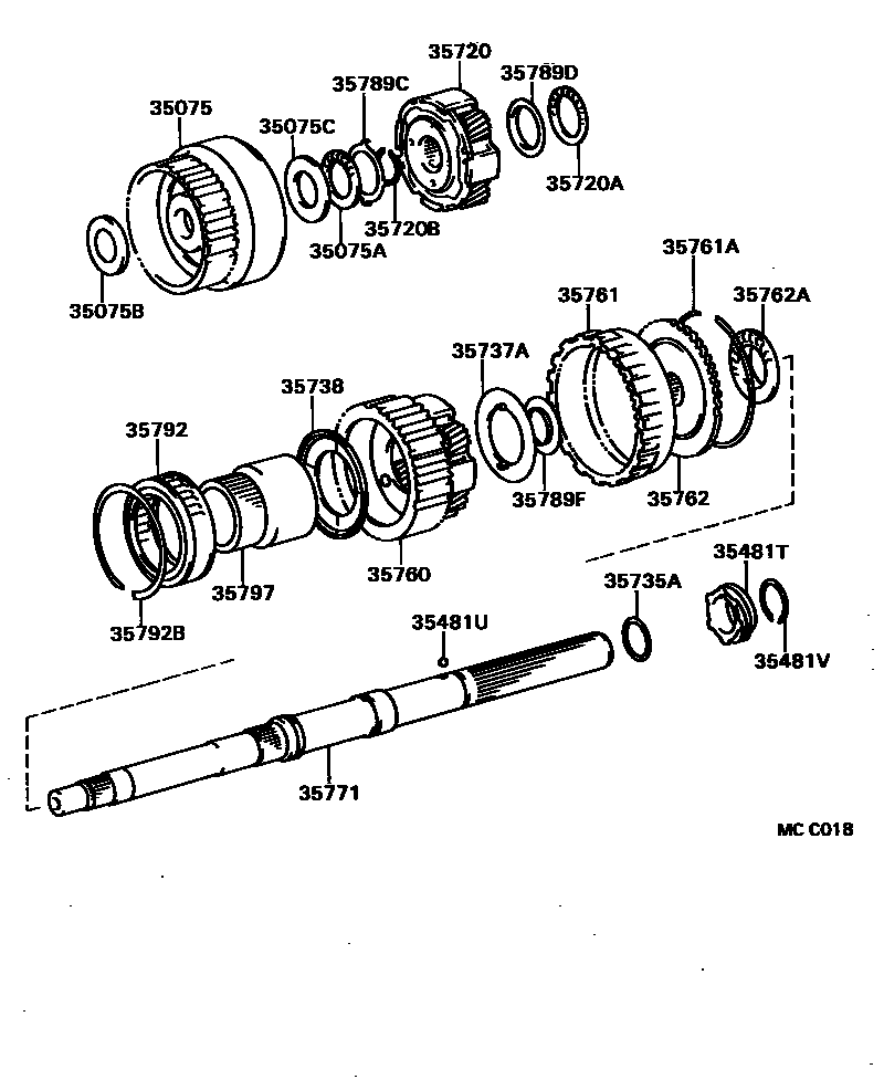
PLANETARY GEAR, REVERSE PISTON & COUNTER GEAR(ATM)

35075GEAR SUB-ASSY, FRONT PLANETARY RING
35075ABEARING, THRUST NEEDLE ROLLER (FOR FRONT PLANETARY RING)
35075BRACE, THRUST BEARING (FOR FRONT PLANETARY RING GEAR FRONT)
35075CRACE, THRUST BEARING (FOR FRONT PLANETARY RING GEAR RR)
35481TGEAR, SPEEDMETER DRIVE (ATM)
N=6
N=6
35481UKEY OR BALL, SPEEDMETER DRIVE GEAR (ATM)
35481VRING OR SPACER (FOR ATM SPEEDMETER DRIVE GEAR)
T=1.50,OD=33.8
35720GEAR ASSY, FRONT PLANETARY
35720ABEARING, THRUST NEEDLE ROLLER (FOR FRONT PLANETARY GEAR)
35720BRING, SHAFT SNAP (FOR FRONT PLANETARY GEAR)
35735ARING, PLANETARY OUTPUT SHAFT OIL SEAL
35737AWASHER, PLANETARY CARRIER THRUST, NO.1
35738WASHER, PLANETARY CARRIER THRUST, NO.2
35760GEAR ASSY, REAR PLANETARY
35761GEAR, REAR PLANETARY RING
35761ARING, HOLE SNAP (FOR REAR PLANETARY RING GEAR)
35762FLANGE, REAR PLANETARY RING GEAR
35762ABEARING, THRUST NEEDLE ROLLER (FOR REAR PLANETARY FLANGE)
35771SHAFT, OUTPUT
35789CRACE, THRUST BEARING (FOR FRONT PLANETARY GEAR FRONT)
35789DRACE, THRUST BEARING (FOR FRONT PLANETARY GEAR REAR)
35789FRACE, THRUST BEARING (FOR REAR PLANETARY FLANGE)
35792CLUTCH, 1 WAY, NO.2
35792BRING, HOLE SNAP (FOR 1 WAY CLUTCH NO.2)
35797RACE, 1 WAY CLUTCH INNER
25 parts on this diagram · 1 diagram in section