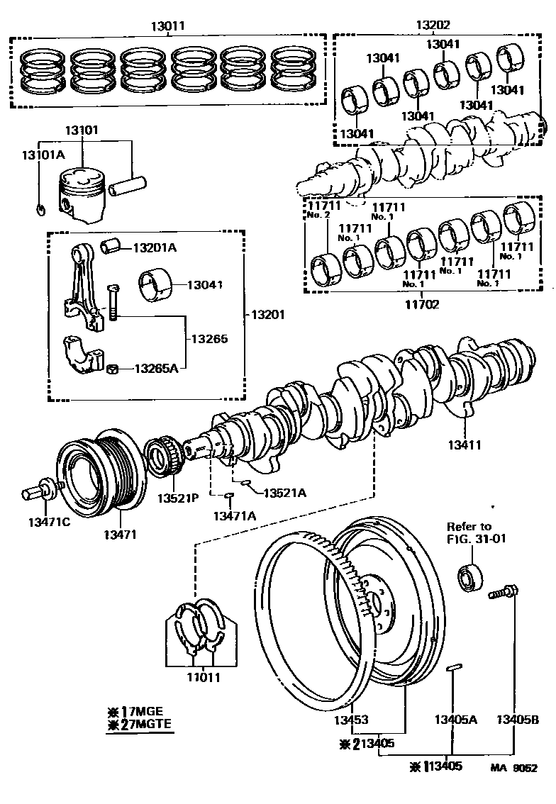
CRANKSHAFT & PISTON

11011WASHER SET, CRANKSHAFT THRUST
STD,STD
O/S 0.125,O/S 0.125
11702BEARING SET, CRANKSHAFT
U/S 0.25,U/S 0.25
11711BEARING, CRANKSHAFT
NO.2,MARK"1",MARK 1
NO.2,MARK"2",MARK 2
NO.2,MARK"3",MARK 3
NO.2,MARK"4",MARK 4
NO.2,MARK"5",MARK 5
NO.1,MARK"1",MARK 1
NO.1,MARK"2",MARK 2
NO.1,MARK"3",MARK 3
NO.1,MARK"4",MARK 4
NO.1,MARK"5",MARK 5
13011RING SET, PISTON
STD,STD
STD,STD
O/S 0.50,O/S 0.50
O/S 0.50,O/S 0.50
13041BEARING, CONNECTING ROD
MARK"1",MARK 1
MARK"2",MARK 2
MARK"3",MARK 3
MARK"4",MARK 4
MARK"5",MARK 5
13101PISTON SUB-ASSY, W/PIN
STD,STD
STD,STD
STD,STD
O/S 0.50,O/S 0.50
O/S 0.50,O/S 0.50
O/S 0.50,O/S 0.50
13101ARING, HOLE SNAP(FOR PISTON PIN)
13201ROD SUB-ASSY, CONNECTING
13201ABUSH(FOR CONNECTING ROD SMALL END)
13202BEARING SET, CONNECTING ROD
U/S 0.25,U/S 0.25
13265BOLT, CONNECTING ROD
13265ANUT, HEXAGON(FOR CONNECTING ROD BOLT)
13405FLYWHEEL SUB-ASSY
13405APIN, STRAIGHT(FOR FLYWHEEL)
L=23,OD=8
13405BBOLT, FLYWHEEL SETTING
*10-1.25PX26-18
13411CRANKSHAFT
13453GEAR, FLYWHEEL RING
13471PULLEY, CRANKSHAFT
13471AKEY, CRANKSHAFT(FOR CRANKSHAFT PULLEY SET)
13471CBOLT(FOR CRANKSHAFT PULLEY SET)
13521AKEY(FOR CRANKSHAFT TIMING GEAR)
13521PPULLEY, CRANKSHAFT TIMING
3101CLUTCH & RELEASE FORK
23 parts on this diagram · 1 diagram in section