E
EPC Data

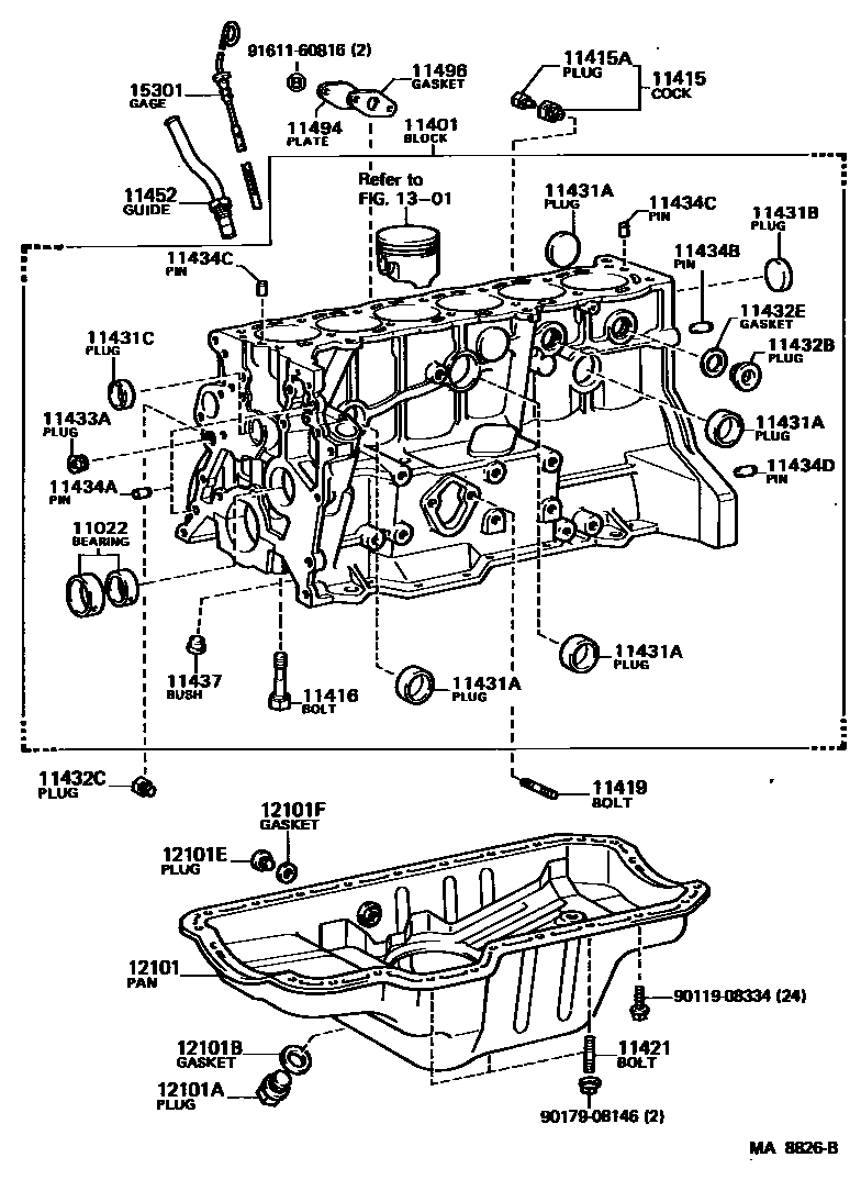
CYLINDER BLOCK

Parts diagram
11022BEARING SET, PUMP DRIVE SHAFT
main11022-41010i198601-198808
11401BLOCK SUB-ASSY, CYLINDER
main11401-49576i198608-198808
main11401-49585i198601-198808
11415COCK SUB-ASSY, WATER DRAIN(FOR CYLINDER BLOCK)
main96431-53828i198601-198808
11415APLUG, WATER DRAIN COCK(FOR CYLINDER BLOCK)
main96432-23814i198601-198808
11416BOLT(FOR CRANKSHAFT BEARING CAP SET)
main90910-02047i198601-198808
11419BOLT, STUD(FOR FUEL PUMP)
main90116-08191i198601-198808
L=39,S=9&25
11421BOLT, STUD(FOR OIL PAN)
main90116-08208i198601-198808
11431APLUG, TIGHT, NO.1(FOR CYLINDER BLOCK)
main96411-44000i198601-198808
OD=40
11431BPLUG, TIGHT, NO.2(FOR CYLINDER BLOCK)
main96412-43500i198601-198808
OD=35
11431CPLUG, TIGHT, NO.3(FOR CYLINDER BLOCK)
main96411-43500i198601-198808
OD=35
11432BPLUG, W/HEAD TAPER SCREW, NO.2
main90341-32070i198601-198708
main96411-43000i198708-198808
11432CPLUG, W/HEAD TAPER SCREW, NO.3
main90345-51006i198601-198808
11432EGASKET, W/HEAD TAPER SCREW PLUG
main90430-32222i198601-198708
11433APLUG, STRAIGHT, NO.1
main90344-53008i198606-198808
main90344-53015i198601-198606
11434APIN, STRAIGHT(FOR TIMING GEAR COVER SET)
main90250-10192i198601-198808
L=22,OD=10,L=22,OD=10
11434BPIN, STRAIGHT(FOR CLUTCH HOUSING SET)
main90250-10192i198601-198808
L=22,OD=10,L=22,OD=10
11434CPIN, STRAIGHT (FOR CYLINDER HEAD SET)
main90250-08120i198601-198808
L=18,OD=8,L=16,OD=8
11434DPIN, STRAIGHT(FOR ENGINE REAR OIL SEAL)
main90250-10192i198601-198808
L=22,OD=10,L=22,OD=10
11437BUSH, OIL PUMP SHAFT GUIDE
main11437-45010i198601-198808
11452GUIDE, OIL LEVEL GAGE
main11452-42010i198601-198808
main11452-42020i198601-198808
11494PLATE, OIL HOLE COVER
main11494-45010i198601-198808
11496GASKET, OIL HOLE COVER PLATE
main15318-45011i198601-198808
12101PAN SUB-ASSY, OIL
main12101-42030i198601-198808
12101APLUG(FOR OIL PAN DRAIN)
main90341-18089i198601-198808
12101BGASKET(FOR OIL PAN DRAIN PLUG)
main90430-18013i198603-198808
main90430-18244i198601-198603
12101EPLUG, OIL PAN(FOR OIL COOLER)
main90341-12012i198601-198808
12101FGASKET(FOR OIL COOLER)
main90430-12018i198601-198808
1301
15301GAGE SUB-ASSY, OIL LEVEL
main15301-42010i198608-198808
main15301-42020i198708-198808
main15301-43020i198601-198708
9011908334
9017908146
9161160816

32 parts on this diagram · 2 diagrams in section

CYLINDER BLOCK — Toyota Parts Diagram with OEM Numbers & Prices | EPC Data