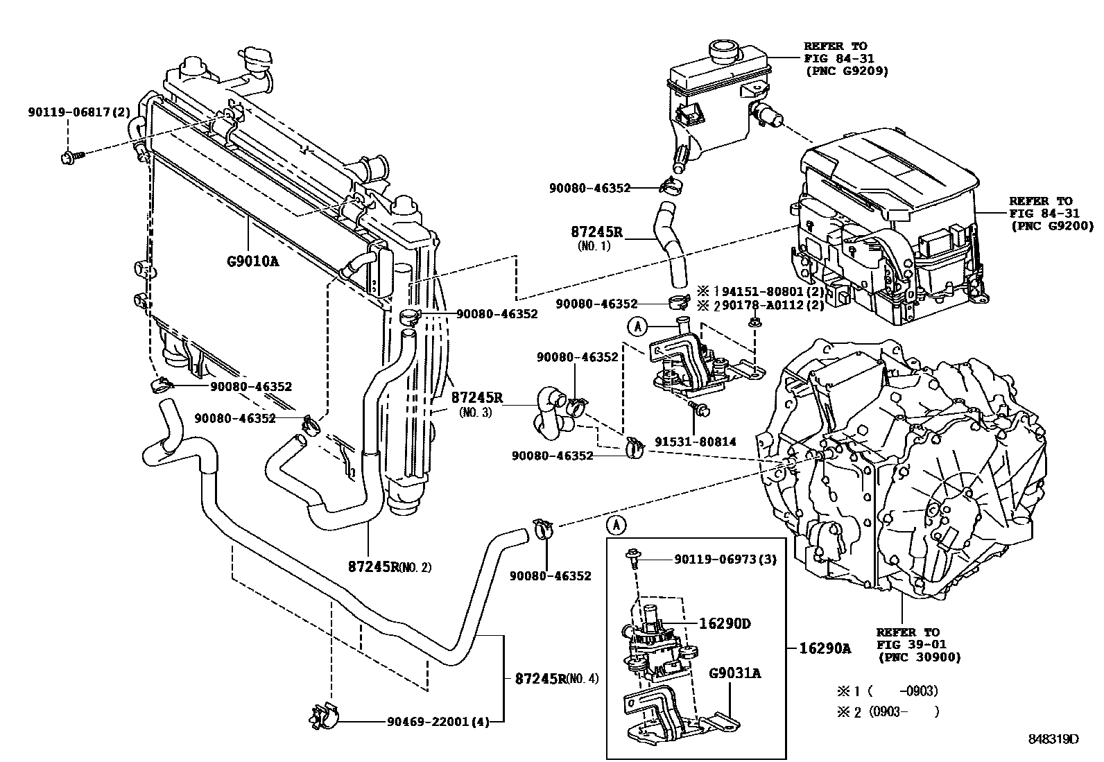
INVERTER COOLING

16290APUMP ASSY, WATER W/MOTOR & BRACKET
16290DPUMP ASSY, WATER W/MOTOR
3901TRANSAXLE ASSY(HEV OR BEV OR FCEV)
8431HEV INVERTER
87245RHOSE, WATER
NO.2
NO.1
NO.3
NO.4
G9010ARADIATOR ASSY
G9031ABRACKET SUB-ASSY, HV WATER PUMP
9008046352
main90080-46352
9011906817
main90119-06817
9011906973
main90119-06973
90178A0112
main90178-A0112
9046922001
main90469-22001
9153180814
main91531-80814
9415180801
main94151-80801
14 parts on this diagram · 1 diagram in section