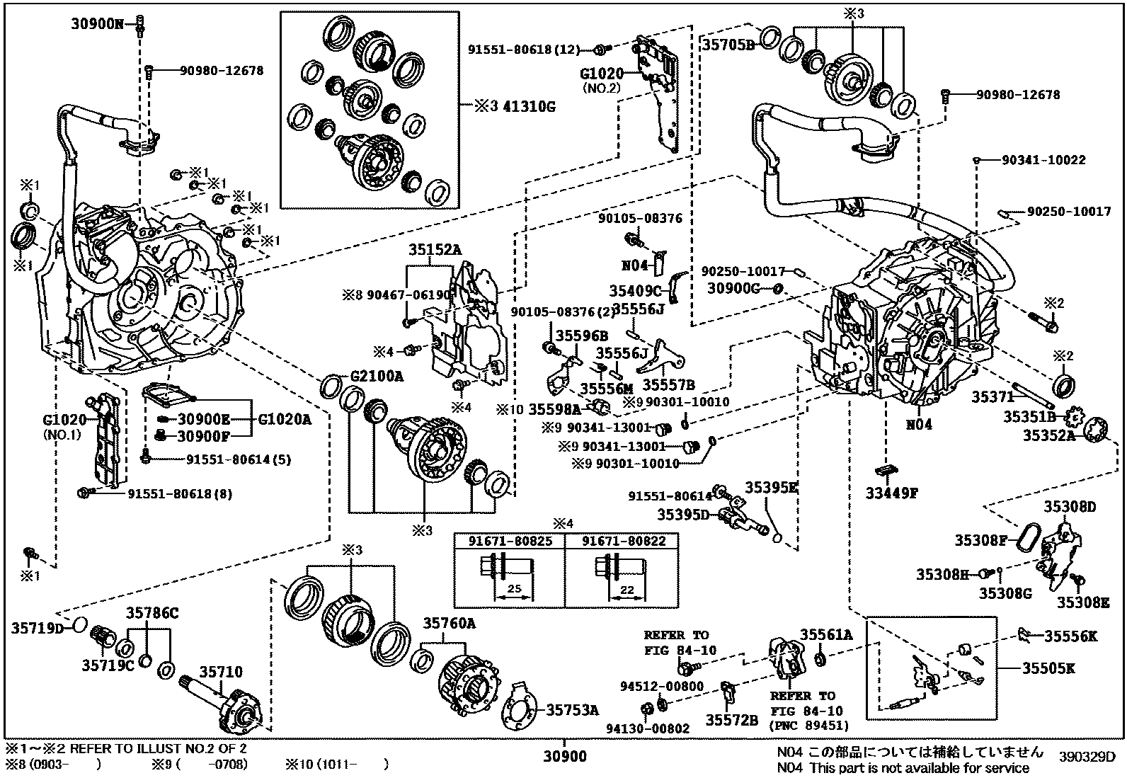
TRANSAXLE ASSY(HEV OR BEV OR FCEV)

30900TRANSAXLE ASSY, HYBRID VEHICLE
30900EGASKET(FOR TRANSAXLE HOUSING & CASE)
30900FPLUG, W/HEAD STRAIGHT SCREW, NO.2(FOR TRANSAXLE HSG & CASE)
30900GGASKET, NO.2(FOR TRANSAXLE HOUSING & CASE)
30900NPLUG, BREATHER(FOR TRANSAXLE)
33449FMAGNET, TRANSMISSION NO.1
35152ACOVER, AUTOMATIC TRANSMISSION CASE, NO.2
35308DCOVER SUB-ASSY, TRANSMISSION OIL PUMP
35308EBOLT, W/WASHER (FOR TRANSMISSION OIL PUMP COVER)
35308FRING, O, NO.1 (FOR TRANSMISSION OIL PUMP COVER)
35308GRING, O, NO.2 (FOR TRANSMISSION OIL PUMP COVER)
35308HPLUG (FOR TRANSMISSION OIL PUMP COVER)
35351BROTOR, TRANSAXLE OIL PUMP DRIVE
35352AROTOR, TRANSMISSION OIL PUMP DRIVEN
35371SHAFT, OIL PUMP DRIVE
35395DSTRAINER, TRANSMISSION OIL
35395ERING, O(FOR TRANSAXLE OIL STRAINER)
35409CSPRING SUB-ASSY, MANUAL DETENT
35505KLEVER SUB-ASSY, PARKING LOCK, NO.1
35556JSHAFT, PARKING LOCK PAWL
35556KSPRING, RETAINER
35556MSPRING, TORSION
35557BPAWL, PARKING LOCK
35561ASEAL, TYPE T OIL(FOR PARKING LOCK SHAFT)
35572BLEVER, TRANSMISSION, OUTER
35596BPLATE, PAWL STOPPER
35598ASLEEVE, PARKING LOCK
35705BSHIM(FOR COUNTER DRIVEN GEAR)
T=1.75,MARK 1
T=1.77,MARK 2
T=1.79,MARK 3
T=1.81,MARK 4
T=1.83,MARK 5
T=1.85,MARK 6
T=1.87,MARK 7
T=1.89,MARK 8
T=1.91,MARK 9
T=1.93,MARK 10
T=1.95,MARK 11
T=1.97,MARK 12
T=1.99,MARK 13
T=2.01,MARK 14
T=2.03,MARK 15
T=2.05,MARK 16
T=2.07,MARK 17
T=2.09,MARK 18
T=2.11,MARK 19
T=2.13,MARK 20
T=2.15,MARK 21
T=2.17,MARK 22
T=2.19,MARK 23
T=2.21,MARK 24
T=2.23,MARK 25
T=2.25,MARK 26
T=2.27,MARK 27
T=2.29,MARK 28
T=2.31,MARK 29
T=2.33,MARK 30
T=2.35,MARK 31
T=2.37,MARK 32
T=2.39,MARK 33
T=2.41,MARK 34
T=2.43,MARK 35
T=2.45,MARK 36
T=2.47,MARK 37
T=2.49,MARK 38
T=2.51,MARK 39
T=2.53,MARK 40
T=2.55,MARK 41
T=2.57,MARK 42
T=2.59,MARK 43
T=2.61,MARK 44
T=2.63,MARK 45
T=2.65,MARK 46
T=2.67,MARK 47
T=2.69,MARK 48
T=2.71,MARK 49
T=2.73,MARK 50
T=2.75,MARK 51
T=2.77,MARK 52
T=2.79,MARK 53
T=2.81,MARK 54
T=1.75,MARK 1
T=1.77,MARK 2
T=1.79,MARK 3
T=1.81,MARK 4
T=1.83,MARK 5
T=1.85,MARK 6
T=1.87,MARK 7
T=1.89,MARK 8
T=1.91,MARK 9
T=1.93,MARK 10
T=1.95,MARK 11
T=1.97,MARK 12
T=1.99,MARK 13
T=2.01,MARK 14
T=2.03,MARK 15
T=2.05,MARK 16
T=2.07,MARK 17
T=2.09,MARK 18
T=2.11,MARK 19
T=2.13,MARK 20
T=2.15,MARK 21
T=2.17,MARK 22
T=2.19,MARK 23
T=2.21,MARK 24
T=2.23,MARK 25
T=2.25,MARK 26
T=2.27,MARK 27
T=2.29,MARK 28
T=2.31,MARK 29
T=2.33,MARK 30
T=2.35,MARK 31
T=2.37,MARK 32
T=2.39,MARK 33
T=2.41,MARK 34
T=2.43,MARK 35
T=2.45,MARK 36
T=2.47,MARK 37
T=2.49,MARK 38
T=2.51,MARK 39
T=2.53,MARK 40
T=2.55,MARK 41
T=2.57,MARK 42
T=2.59,MARK 43
T=2.61,MARK 44
T=2.63,MARK 45
T=2.65,MARK 46
T=2.67,MARK 47
T=2.69,MARK 48
T=2.71,MARK 49
T=2.73,MARK 50
T=2.75,MARK 51
T=2.77,MARK 52
T=2.79,MARK 53
T=2.81,MARK 54
35710SHAFT ASSY, INPUT
35719CGEAR, PLANETARY SUN
35719DRING, SNAP(FOR PLANETARY SUN GEAR)
T=3.88,MARK 1
T=3.91,MARK 2
T=3.94,MARK 3
T=3.97,MARK 4
T=4.00,MARK 5
T=4.03,MARK 6
T=4.06,MARK 7
T=4.09,MARK 8
T=4.12,MARK 9
T=4.15,MARK 10
T=4.18,MARK 11
T=4.21,MARK 12
T=4.24,MARK 13
T=4.27,MARK 14
T=4.30,MARK 15
T=4.33,MARK 16
T=4.36,MARK 17
T=4.39,MARK 18
T=4.42,MARK 19
T=4.45,MARK 20
T=4.48,MARK 21
T=4.51,MARK 22
T=4.54,MARK 23
T=4.57,MARK 24
T=4.60,MARK 25
T=4.63,MARK 26
T=4.66,MARK 27
T=4.69,MARK 28
T=4.72,MARK 29
35753ARECEIVER, PLANETARY OIL
35760AGEAR ASSY, REAR PLANETARY NO.1
35786CRACE, THRUST BEARING, NO.1
41310GGEAR KIT, DIFFERENTIAL & COUNTER DRIVEN
sub41310-33905
8410
G1020COVER ASSY, MOTOR WATER JACKET, NO.1
NO.1
NO.2
G1020ACOVER ASSY, MOTOR WATER JACKET, NO.2
G2100ASHIM(FOR DIFFERENTIAL CASE RH)
T=2.00,MARK 1
T=2.02,MARK 2
T=2.04,MARK 3
T=2.06,MARK 4
T=2.08,MARK 5
T=2.10,MARK 6
T=2.12,MARK 7
T=2.14,MARK 8
T=2.16,MARK 9
T=2.18,MARK 10
T=2.20,MARK 11
T=2.22,MARK 12
T=2.24,MARK 13
T=2.26,MARK 14
T=2.28,MARK 15
T=2.30,MARK 16
T=2.32,MARK 17
T=2.34,MARK 18
T=2.36,MARK 19
T=2.38,MARK 20
T=2.40,MARK 21
T=2.42,MARK 22
T=2.44,MARK 23
T=2.46,MARK 24
T=2.48,MARK 25
T=2.50,MARK 26
T=2.52,MARK 27
T=2.54,MARK 28
T=2.56,MARK 29
T=2.58,MARK 30
T=2.60,MARK 31
T=2.62,MARK 32
T=2.64,MARK 33
T=2.66,MARK 34
T=2.68,MARK 35
T=2.70,MARK 36
T=2.72,MARK 37
T=2.74,MARK 38
T=2.76,MARK 39
T=2.78,MARK 40
T=2.80,MARK 41
T=2.82,MARK 42
T=2.84,MARK 43
T=2.86,MARK 44
9010508376
main90105-08376
9025010017
main90250-10017
9030110010
main90301-10010
9034110022
main90341-10022
9034113001
main90341-13001
9046706190
main90467-06190
9098012678
main90980-12678
9155180614
main91551-80614
9155180618
main91551-80618
9167180822
main91671-80822
9167180825
main91671-80825
9413000802
main94130-00802
9451200800
main94512-00800
52 parts on this diagram · 2 diagrams in section