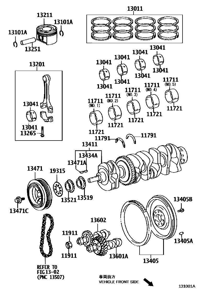
CRANKSHAFT & PISTON

11711BEARING, CRANKSHAFT
MARK1,NO.2,3,4,5 REFER R/M
MARK2,NO.2,3,4,5 REFER R/M
MARK3,NO.2,3,4,5 REFER R/M
MARK4,NO.2,3,4,5 REFER R/M
MARK 1,NO.2,3,4,5 REFER R/M
MARK 2,NO.2,3,4,5 REFER R/M
MARK 3,NO.2,3,4,5 REFER R/M
MARK 4,NO.2,3,4,5 REFER R/M
MARK1,NO.1,REFER R/M
MARK2,NO.1,REFER R/M
MARK3,NO.1,REFER R/M
MARK4,NO.1,REFER R/M
11721BEARING, CRANKSHAFT, NO.2
MARK1,REFER REPAIR MANUAL
MARK2,REFER REPAIR MANUAL
MARK3,REFER REPAIR MANUAL
MARK4,REFER REPAIR MANUAL
MARK 1,REFER REPAIR MANUAL
MARK 2,REFER REPAIR MANUAL
MARK 3,REFER REPAIR MANUAL
MARK 4,REFER REPAIR MANUAL
11791WASHER, CRANKSHAFT THRUST, UPPER
STD
11911BEARING, BALANCESHAFT, NO.1
MARK 1,REFER REPAIR MANUAL
MARK 2,REFER REPAIR MANUAL
MARK 3,REFER REPAIR MANUAL
MARK 1,REFER REPAIR MANUAL
MARK 2,REFER REPAIR MANUAL
MARK 3,REFER REPAIR MANUAL
13011RING SET, PISTON
STD
STD
1302CAMSHAFT & VALVE
13041BEARING, CONNECTING ROD
MARK 1,REFER REPAIR MANUAL
MARK 2,REFER REPAIR MANUAL
MARK 3,REFER REPAIR MANUAL
MARK 1,REFER REPAIR MANUAL
MARK 2,REFER REPAIR MANUAL
MARK 3,REFER REPAIR MANUAL
13101ARING, HOLE SNAP(FOR PISTON PIN)
13201ROD SUB-ASSY, CONNECTING
MARK A,(L):REFER R/M
MARK B,(L):REFER R/M
MARK C,(L):REFER R/M
MARK A,(L):REFER R/M
MARK B,(L):REFER R/M
MARK C,(L):REFER R/M
MARK A,(J):REFER R/M
MARK B,(J):REFER R/M
MARK C,(J):REFER R/M
13211PISTON
MARKA,REFER REPAIR MANUAL
MARKB,REFER REPAIR MANUAL
MARKC,REFER REPAIR MANUAL
MARK A,REFER REPAIR MANUAL
MARK B,REFER REPAIR MANUAL
MARK C,REFER REPAIR MANUAL
13251PIN, PISTON
MARKA,REFER REPAIR MANUAL
MARK B,REFER REPAIR MANUAL
MARKC,REFER REPAIR MANUAL
13265BOLT, CONNECTING ROD
13405FLYWHEEL SUB-ASSY
13405APIN, STRAIGHT(FOR FLYWHEEL)
L=23,OD=8
13405BBOLT, FLYWHEEL SETTING
13411CRANKSHAFT
(L)
(J)
13434AKEY(FOR OIL PUMP DRIVE SPLINE)
13471PULLEY, CRANKSHAFT
13471AKEY, CRANKSHAFT(FOR CRANKSHAFT PULLEY SET)
13471CBOLT(FOR CRANKSHAFT PULLEY SET)
13519GEAR, OIL PUMP DRIVE
13521GEAR OR SPROCKET, CRANKSHAFT TIMING
13601ABALANCESHAFT SUB-ASSY, NO.1
13602BALANCESHAFT SUB-ASSY, NO.2
19315PLATE, CRANK ANGLE SENSOR, NO.1
25 parts on this diagram · 1 diagram in section