HEATING & AIR CONDITIONING - CONTROL & AIR DUCT

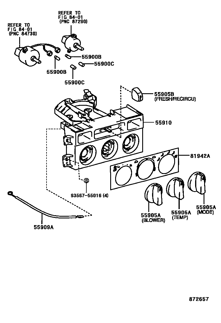
55900BBULB, AIR CONDITIONER CONTROL
14V1.4W,W(GREEN CAP),W(AUTOMATIC AIR CONDITIONER),KNOB
9.1V 0.73W,GREEN CAP,W(AUTOMATIC AIR CONDITIONER),LCD
W(AUTOMATIC AIR CONDITIONER),LCD
14V 1.4W,W(MANUAL AIR CONDITIONER)
55900CCAP, AIR CONDITIONER CONTROL BULB
55905AKNOB, HEATER CONTROL
W(MANUAL AIR CONDITIONER)
W(AUTOMATIC AIR CONDITIONER)
55905BKNOB, HEATER CONTROL, NO.2
55909ACABLE SUB-ASSY, AIRMIX DAMPER CONTROL
55910CONTROL ASSY, HEATER OR BOOST VENTILATOR
81942ASHEET, HEATER CONTROL NAME, NO.1
8401SWITCH & RELAY & COMPUTER
9356755016
main93567-55016
9 parts on this diagram · 5 diagrams in section