E
EPC Data

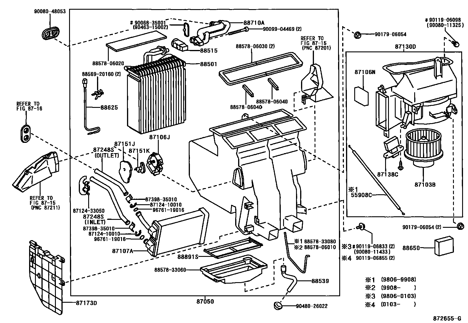
HEATING & AIR CONDITIONING - COOLER UNIT

Parts diagram
55908CCABLE SUB-ASSY, AIR INLET DAMPER CONTROL
main55908-06030i199806-199908
87050RADIATOR ASSY, AIR CONDITIONER
main87050-06190i199806-200212
W(AUTOMATIC AIR CONDITIONER)
main87050-06200i199806-199908
W(MANUAL AIR CONDITIONER)
main87050-06230i199908-200207
W(MANUAL AIR CONDITIONER)
87103BMOTOR SUB-ASSY, BLOWER W/FAN
main87103-06021i200207-200212
87106JSERVO SUB-ASSY, DAMPER(FOR MODE)
main87106-06060i199806-199908
main87106-06100i199908-200207
W(MANUAL AIR CONDITIONER)
87106NSERVO SUB-ASSY, DAMPER(FOR RECIRCULATION)
main87106-06080i199806-200212
W(AUTOMATIC AIR CONDITIONER)
main87106-06090i200207-200212
W(MANUAL AIR CONDITIONER)
87107AUNIT SUB-ASSY, HEATER RADIATOR
main87107-07010i200207-200212
87130DBLOWER ASSY
main87130-06050i199806-199908
W(MANUAL AIR CONDITIONER)
main87130-06060i199806-199904
W(AUTOMATIC AIR CONDITIONER)
main87130-06061i199904-200212
W(AUTOMATIC AIR CONDITIONER)
main87130-06070i199908-200207
W(MANUAL AIR CONDITIONER)
87138CRESISTOR, BLOWER
main87138-33030i199806-199808
W(MANUAL AIR CONDITIONER)
main87138-33050i199806-200212
W(AUTOMATIC AIR CONDITIONER)
main87138-33060i199808-200207
W(MANUAL AIR CONDITIONER)
8715HEATING & AIR CONDITIONING - CONTROL & AIR DUCT
87151JPLATE, DAMPER NO.1
main87151-06010i200207-200212
87151KPLATE, DAMPER NO.2
main87151-06020i199806-200207
8716HEATING & AIR CONDITIONING - WATER PIPING
87173DPROTECTOR HEATER
main87173-06020i199806-200207
87248SPIPE, FRONT HEATER RADIATOR WATER
main87156-06030i199806-200207
INLET
main87156-06040i199806-200207
OUTLET
88501EVAPORATOR SUB-ASSY, COOLER, NO.1
main88501-06030i199806-200207
88515VALVE, COOLER EXPANSION
main88515-06020i199806-200207
88539HOSE, COOLER UNIT DRAIN, NO.1
main88539-06020i199806-200207
88625THERMISTOR, COOLER, NO.1
main88625-33140i199806-200207
88650AMPLIFIER ASSY, COOLER STABILIZER
main88650-07010i199806-200207
88710ATUBE ASSY, AIR CONDITIONER
main88710-06080i199806-200207
88891SCOVER, COOLER, NO.1
main88891-06040i199806-200207
8712410010CLAMP, HEATER
8712433050CLAMP, HEATER
8739835010BAND ASSY (FOR COMBUSTION HEATER)
8856920160CLAMP (FOR COOLER RELAY)
8857806010PAKING, COOLER AIR DUCT
8857806020PAKING, COOLER AIR DUCT
8857806030PAKING, COOLER AIR DUCT
8857806040PAKING, COOLER AIR DUCT
8857833060PAKING, COOLER AIR DUCT
8857833080PAKING, COOLER AIR DUCT
9006835001
9008011325
9008011433
9008048053
9009904469
9011906098
9011906833
9011906855
9017906054
9046315002
9048026022
9676119016

43 parts on this diagram · 6 diagrams in section

HEATING & AIR CONDITIONING - COOLER UNIT — Toyota Parts Diagram with OEM Numbers & Prices | EPC Data