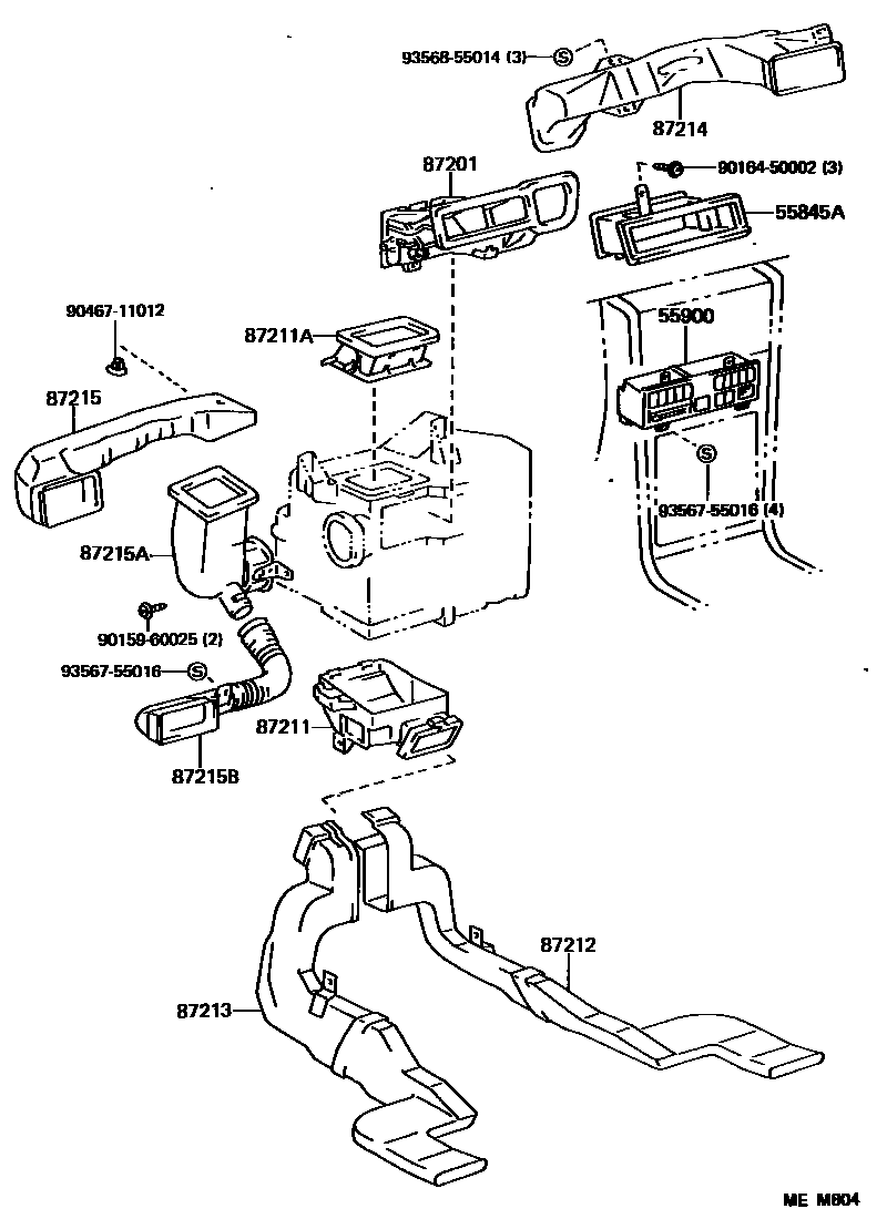
HEATING & AIR CONDITIONING - CONTROL & AIR DUCT

55845ADUCT, HEATER TO REGISTER, NO.3
55900CONTROL ASSY, AIR CONDITIONER
87201DUCT SUB-ASSY, AIR, NO.1
87211DUCT, AIR, NO.1
87211ADUCT, AIR, NO.2
87212DUCT, AIR, REAR NO.1
87213DUCT, AIR, REAR NO.2
87214DUCT, AIR, SIDE NO.1 RH
87215DUCT, AIR, SIDE NO.1 LH
87215ADUCT, AIR, SIDE NO.2 LH
87215BDUCT, AIR, SIDE NO.3 LH
9015960025
main90159-60025
9016450002
main90164-50002
9046711012
main90467-11012
9356755016
main93567-55016
9356855014
main93568-55014
16 parts on this diagram · 1 diagram in section