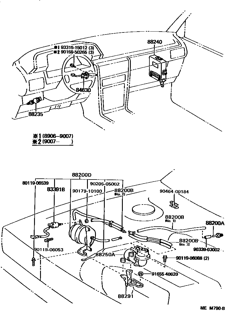
CRUISE CONTROL (AUTO DRIVE)

83391BSWITCH, AUTO DRIVE VACUUM
84630SWITCH ASSY, CRUISE CONTROL MAIN
88200AUNION OR WAY, CRUISE CONTROL VACUUM
88200BHOSE, CRUISE CONTROL VACUUM
NO.3
NO.2
L=510,NO.1
88200DACTUATOR ASSY, CRUISE CONTROL
88235SWITCH ASSY, CRUISE CONTROL(AUTO DRIVE) RELEASE
88240COMPUTER ASSY, CRUISE CONTROL
88250APUMP ASSY, CRUISE CONTROL
88291BRACKET, CRUISE CONTROL(AUTO DRIVE), NO.1
8011906539
main80119-06539
9011906053
main90119-06053
9011906088
main90119-06088
9015950265
main90159-50265
9017910100
main90179-10100
9020505002
main90205-05002
9033903002
main90339-03002
9046400184
main90464-00184
9165540620
main91655-40620
9331515012
main93315-15012
19 parts on this diagram · 1 diagram in section