E
EPC Data

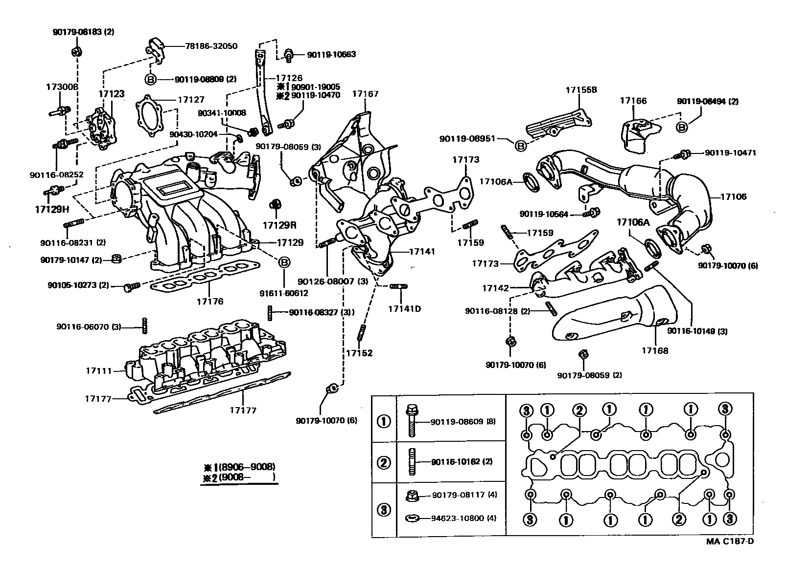
MANIFOLD

Parts diagram
17106PIPE SUB-ASSY, EXHAUST CROSSOVER
main17106-62012i198906-199107
17106AGASKET, EXHAUST PIPE
main90917-06048×2i198906-199107
17111MANIFOLD, INTAKE
main17111-62020i198906-199107
17123COVER, SURGE TANK
main17123-62011i198906-199107
17126STAY, SURGE TANK, NO.2
main17126-62010i198906-199107
17127GASKET, SURGE TANK COVER
main17127-62020i198906-199107
17129TANK, INTAKE AIR SURGE
main17109-62010i198906-199002
main17109-62011i199002-199011
main17109-62012i199011-199107
17129HUNION, NO.4
main90404-51010i198906-199107
17129RPLUG, W/HEAD TAPER SCREW(FOR INTAKE AIR SURGE TANK)
main90345-51008i198906-199002
17141MANIFOLD, EXHAUST
main17141-62020i198906-199107
17141DBOLT, STUD(FOR OXYGEN SENSOR)
main90116-08128×2i198906-199105
main90126-08007×2i199105-199107
17142CASE, EXHAUST MANIFOLD, NO.2
main17142-62010i198906-199107
17152BOLT, STUD(FOR MANIFOLD TO EXHAUST PIPE)
main90116-10149×6i198906-199107
17155BINSULATOR, EXHAUST MANIFOLD HEAT, NO.5
main17155-62010i198906-199107
17159BOLT, STUD(FOR MANIFOLD TO CYLINDER HEAD)
main90116-08251×4i198906-199107
INTAKE MANIFOLD
main90116-10150×12i198906-199107
EXHAUST MANIFOLD
17166INSULATOR, EXHAUST MANIFOLD HEAT,NO.4
main17166-62011i198906-199107
17167INSULATOR, EXHAUST MANIFOLD HEAT, NO.1
main17167-62010i198906-199107
17168INSULATOR, EXHAUST MANIFOLD HEAT, NO.2
main17168-62010i198906-199107
17173GASKET, EXHAUST MANIFOLD TO HEAD
main17173-62020i198906-199107
17176GASKET, AIR SURGE TANK TO INTAKE MANIFOLD
main17176-62020i198906-199107
17177GASKET, INTAKE MANIFOLD TO HEAD, NO.1
main17177-62030×2i198906-199107
17300BUNION(FOR INTAKE AIR CONTROL VALVE)
main90404-51026i198906-199105
main90404-51072i199105-199107
7818632050SUPPORT, ACCELERATOR CONTROL CABLE, NO.1
9010510273
9011606070
9011608128
9011608231
9011608252
9011608327
9011610149
9011610162
9011906494
9011908609
9011908809
9011908951
9011910470
9011910471
9011910564
9011910663
9012608007
9017908059
9017908117
9017908183
9017910070
9017910147
9034110008
9043010204
9090119005
9161160612
9462310800

50 parts on this diagram · 1 diagram in section

MANIFOLD — Toyota Parts Diagram with OEM Numbers & Prices | EPC Data