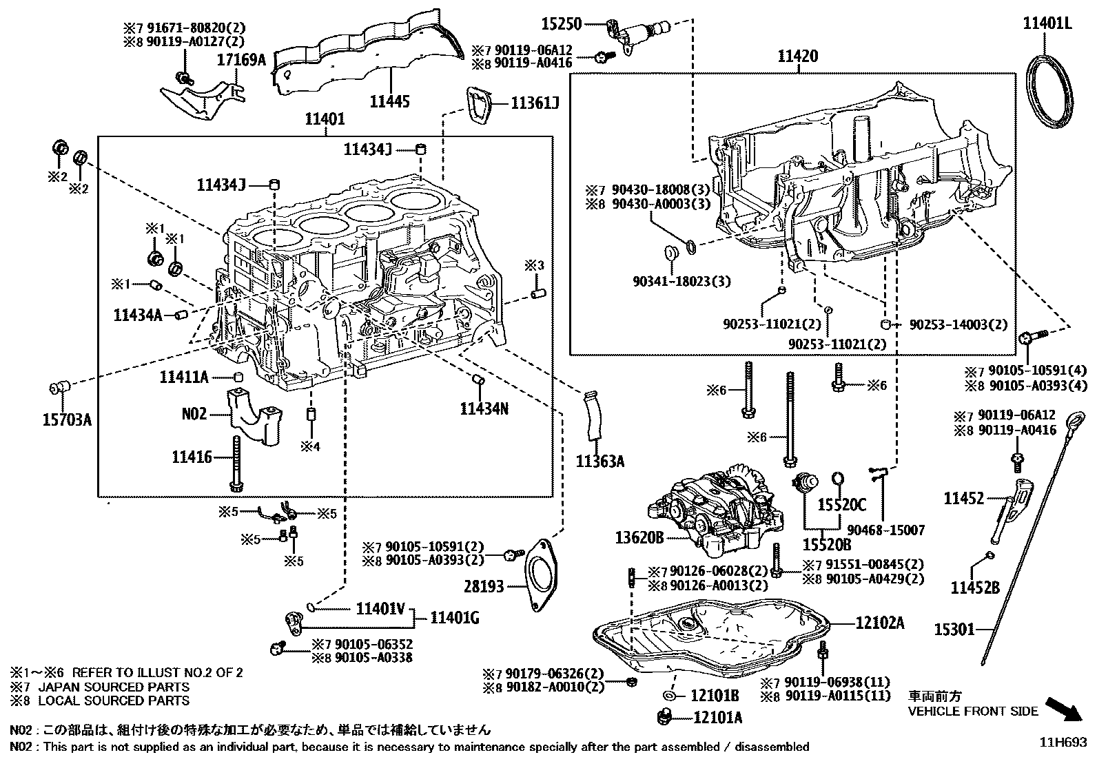
CYLINDER BLOCK

11361JCOVER, FLYWHEEL HOUSING UNDER
11363ACOVER, FLYWHEEL HOUSING SIDE
11401BLOCK SUB-ASSY, CYLINDER
*636
*744 OR *745
11401GSENSOR, CRANK POSITION
*636
*744 OR *745
11401LSEAL, ENGINE REAR OIL
*636
*744 OR *745
11401VO-RING, CRANK POSITION SENSOR
*636,*744 OR *745
11411APIN, RING(FOR CYLINDER BLOCK NO.1 )
*636,*744 OR *745
11416BOLT(FOR CRANKSHAFT BEARING CAP SET)
*636
*744 OR *745
11420CRANKCASE ASSY, STIFFENING
*636
*744 OR *745
11434APIN, STRAIGHT(FOR TIMING GEAR COVER SET)
L=14,OD=6,*636,(J),*744 OR *745
L=14,OD=6,(L),*744 OR *745
11434JPIN, RING (FOR CYLINDER HEAD SET)
*636,*744 OR *745
11434NPIN, STRAIGHT(FOR WATER INLET HOUSING)
*636,(J),*744 OR *745
(L),*744 OR *745
11445SPACER, CYLINDER BLOCK WATER JACKET
*636
*744 OR *745
11452GUIDE, OIL LEVEL GAGE
*636
*744 OR *745
11452BRING, O(FOR OIL LEVEL GAGE GUIDE)
*636,*744 OR *745
12101APLUG(FOR OIL PAN DRAIN)
*636
*744 OR *745
12101BGASKET(FOR OIL PAN DRAIN PLUG)
*636
*744 OR *745
12102APAN SUB-ASSY, OIL, NO.2
*636
*744 OR *745
13620BBALANCER ASSY, ENGINE
*636
*744 OR *745
15250VALVE ASSY, OIL PRESSURE CONTROL
*636,(J),*744 OR *745
(L),*744 OR *745
15301GAGE SUB-ASSY, OIL LEVEL
*636
*744 OR *745
15520BCAP ASSY, CRANKCASE
*636,(J),*744 OR *745
(L),*744 OR *745
15520CRING, O (FOR CRANKCASE CAP)
*636,*744 OR *745
15703AVALVE SUB-ASSY, OIL NOZZLE
*636,*744 OR *745
17169AINSULATOR, EXHAUST MANIFOLD HEAT, NO.3
*744 OR *745
(L),*744 OR *745
28193INSULATOR, STARTER HOLE
9010506352
main90105-06352
9010510591
main90105-10591
90105A0338
main90105-A0338
90105A0393
main90105-A0393
90105A0429
main90105-A0429
9011906938
main90119-06938
9011906A12
main90119-06A12
90119A0115
main90119-A0115
90119A0127
main90119-A0127
90119A0416
main90119-A0416
9012606028
main90126-06028
90126A0013
main90126-A0013
9017906326
main90179-06326
90182A0010
main90182-A0010
9025311021
main90253-11021
9025314003
main90253-14003
9034118023
main90341-18023
9043018008
main90430-18008
90430A0003
main90430-A0003
9046815007
main90468-15007
9155100845
main91551-00845
9167180820
main91671-80820
48 parts on this diagram · 2 diagrams in section