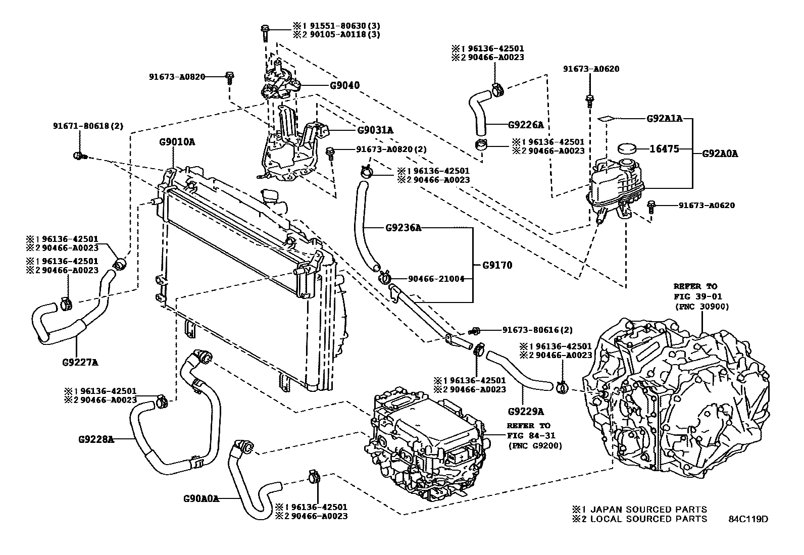
INVERTER COOLING

3901TRANSAXLE ASSY(HEV OR BEV OR FCEV)
8431HEV INVERTER
G9031ABRACKET SUB-ASSY, HV WATER PUMP
G9040INVERTER WATER PUMP ASSY(W/MOTOR)
G90A0AHOSE ASSY, INVERTER COOLING, NO.1
G9170PIPE ASSY, INVERTER COOLING NO.1
G9226AHOSE, INVERTER COOLING, NO.2
G9227AHOSE, INVERTER COOLING, NO.3
G9229AHOSE, INVERTER COOLING, NO.5
G9236AHOSE, INVERTER COOLING, NO.6
G92A0ATANK ASSY, INVERTER RESERVE
G92A1ALABEL, HYBRID COOLANT SYSTEM INFORMATION
90105A0118
main90105-A0118
9046621004
main90466-21004
90466A0023
main90466-A0023
9155180630
main91551-80630
9167180618
main91671-80618
9167380616
main91673-80616
91673A0620
main91673-A0620
91673A0820
main91673-A0820
9613642501
main96136-42501
24 parts on this diagram · 2 diagrams in section