E
EPC Data

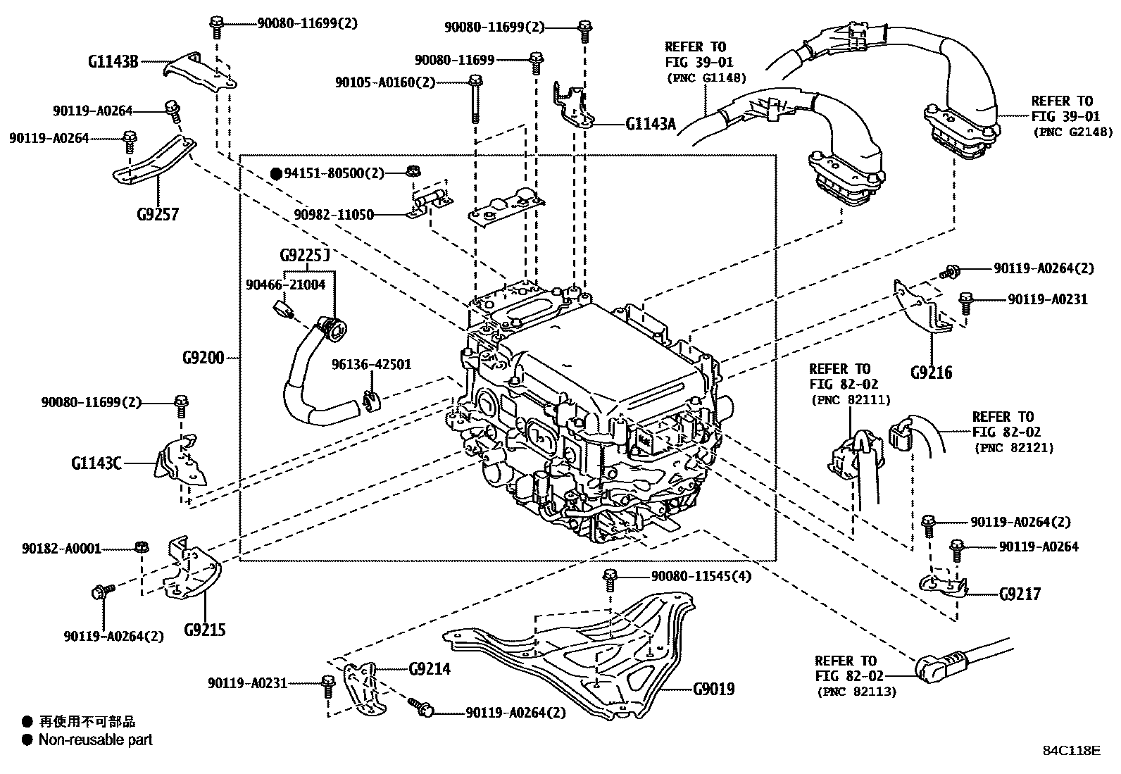
HEV INVERTER

Parts diagram
3901TRANSAXLE ASSY(HEV OR BEV OR FCEV)
8202WIRING & CLAMP
G1143ABRACKET, MOTOR CABLE, NO.1
mainG114306010i201110-201409
G1143BBRACKET, MOTOR CABLE, NO.2
mainG114306020i201110-201409
G1143CBRACKET, MOTOR CABLE, NO.3
mainG114306030i201110-201409
G9019BRACKET SUB-ASSY, INVERTER TRAY
mainG901906010i201110-201409
G9200INVERTER ASSY, W/CONVERTER
mainG92A033020i201110-201310
mainG92A033021i201311-201409
G9214BRACKET, INVERTER, NO.1
mainG921406010i201110-201409
G9215BRACKET, INVERTER, NO.2
mainG901506010i201110-201409
mainG901506040i201410
G9216BRACKET, INVERTER, NO.3
mainG921606010i201110-201409
G9217BRACKET, INVERTER, NO.4
mainG901706010i201110-201409
G9225JHOSE, INVERTER COOLING, NO.1
mainG922533060i201110-201409
G9257BRACKET, INVERTER, NO.5
mainG925706010i201110-201409
9008011545
9008011699
90105A0160
90119A0231
90119A0264
90182A0001
9046621004
9098211050
9415180500
9613642501

23 parts on this diagram · 2 diagrams in section

HEV INVERTER — Toyota Parts Diagram with OEM Numbers & Prices | EPC Data