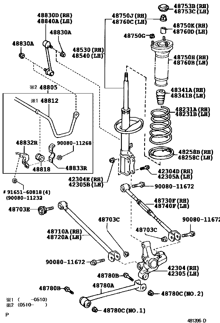
REAR SPRING & SHOCK ABSORBER

42304CARRIER SUB-ASSY, REAR AXLE, RH
(L)
(J)
(J); W(VSC),(J)
42304DBOLT (FOR REAR AXLE CARRIER RH)
42304ENUT (FOR REAR AXLE CARRIER RH)
42305CARRIER SUB-ASSY, REAR AXLE, LH
(L)
(J)
(J); W(VSC),(J)
42305ABOLT (FOR REAR AXLE CARRIER LH)
42305BNUT (FOR REAR AXLE CARRIER LH)
48231ASPRING, COIL, REAR RH
MEXICO SPEC
MEXICO SPEC
48231BSPRING, COIL, REAR LH
MEXICO SPEC
MEXICO SPEC
48258BINSULATOR, REAR COIL SPRING, LOWER RH
48258CINSULATOR, REAR COIL SPRING, LOWER LH
48341ABUMPER, REAR SPRING, NO.1 RH
48341BBUMPER, REAR SPRING, NO.1 LH
48530ABSORBER ASSY, SHOCK, REAR RH
MARK 48530-33281
MARK 48530-33340
MARK 48530-AA040
MARK 48530-AA070
MARK 48530-AA110
MARK 48530-AA120
MARK 48530-AA140
MARK 48530-AA111
48540ABSORBER ASSY, SHOCK, REAR LH
MARK 48540-33281
MARK 48540-33340
MARK 48540-AA040
MARK 48540-AA070
MARK 48540-AA110
MARK 48540-AA120
MARK 48540-AA140
MARK 48540-AA111
48703CNUT(FOR REAR SUSPENSION ARM)
48703EBOLT(FOR REAR SUSPENSION ARM)
*14-1.50PX76-36
*14-1.50PX76-36
48710AARM ASSY, REAR SUSPENSION, NO.1 RH
main48710-AA020iMCV30..NAP..SE..5FC;ACV30,MCV30..NAP..4FC; MCV31..NAP;MCV30..NAP..(LE,XLE)..5FC200107-200406
48720AARM ASSY, REAR SUSPENSION, NO.1 LH
main48710-AA020iMCV30..NAP..SE..5FC;ACV30,MCV30..NAP..4FC; MCV31..NAP;MCV30..NAP..(LE,XLE)..5FC200107-200406
48730FARM ASSY, REAR SUSPENSION, NO.2 RH
main48730-AA030iMCV30..NAP..SE..5FC;ACV30,MCV30..NAP..4FC; MCV31..NAP;MCV30..NAP..(LE,XLE)..5FC200107-200406
48740FARM ASSY, REAR SUSPENSION, NO.2 LH
48750GNUT(FOR REAR SUSPENSION SUPPORT)
main90178-08007×6iMCV30..NAP..SE..5FC;ACV30,MCV30..NAP..4FC; MCV31..NAP;MCV30..NAP..(LE,XLE)..5FC200107-200406
(J)
(L)
48750HSUPPORT ASSY, REAR SUSPENSION, RH
48750JNUT(FOR REAR SUPPORT TO REAR SHOCK ABSORBER RH)
48750KCOLLAR(FOR REAR SUPPORT TO REAR SHOCK ABSORBER RH)
main90387-15027iMCV30..NAP..SE..5FC;ACV30,MCV30..NAP..4FC; MCV31..NAP;MCV30..NAP..(LE,XLE)..5FC200107-200406
48753BCOVER, REAR SUSPENSION SUPOPORT, NO.1 RH
main48753-06011iMCV30..NAP..SE..5FC;ACV30,MCV30..NAP..4FC; MCV31..NAP;MCV30..NAP..(LE,XLE)..5FC200107-200406
48753CCOVER, REAR SUSPENSION SUPOPORT, NO.1 LH
main48753-06011iMCV30..NAP..SE..5FC;ACV30,MCV30..NAP..4FC; MCV31..NAP;MCV30..NAP..(LE,XLE)..5FC200107-200406
48760BSUPPORT ASSY REAR SUSPENSION, LH
48760CNUT(FOR REAR SUPPORT TO REAR SHOCK ABSORBER LH)
48760DCOLLAR(FOR REAR SUPPORT TO REAR SHOCK ABSORBER LH)
main90387-15027iMCV30..NAP..SE..5FC;ACV30,MCV30..NAP..4FC; MCV31..NAP;MCV30..NAP..(LE,XLE)..5FC200107-200406
48780AROD ASSY, STRUT, REAR
48780BBOLT(FOR STRUT ROD)
(J)
48780CNUT(FOR STRUT ROD)
NO.2
NO.1
NO.2
NO.1
48805BAR SUB-ASSY, REAR STABILIZER
MEXICO SPEC
48812BAR, STABILIZER, REAR
MEXICO SPEC
48818BUSH, STABILIZER, REAR
MEXICO SPEC
48830ANUT(FOR REAR STABILIZER LINK)
48830DLINK ASSY, REAR STABILIZER, RH
main48830-06030iMCV30..NAP..SE..5FC;ACV30,MCV30..NAP..4FC; MCV31..NAP;MCV30..NAP..(LE,XLE)..5FC200107-200406
48832RBRACKET, REAR STABILIZER BAR, NO.1 RH
48833RBRACKET, REAR STABILIZER BAR, NO.1 LH
48840ALINK ASSY, REAR STABILIZER, LH
main48830-06030iMCV30..NAP..SE..5FC;ACV30,MCV30..NAP..4FC; MCV31..NAP;MCV30..NAP..(LE,XLE)..5FC200107-200406
9008011232
main90080-11232
9008011268
main90080-11268
9008011672
main90080-11672
9165160818
main91651-60818
44 parts on this diagram · 1 diagram in section