E
EPC Data

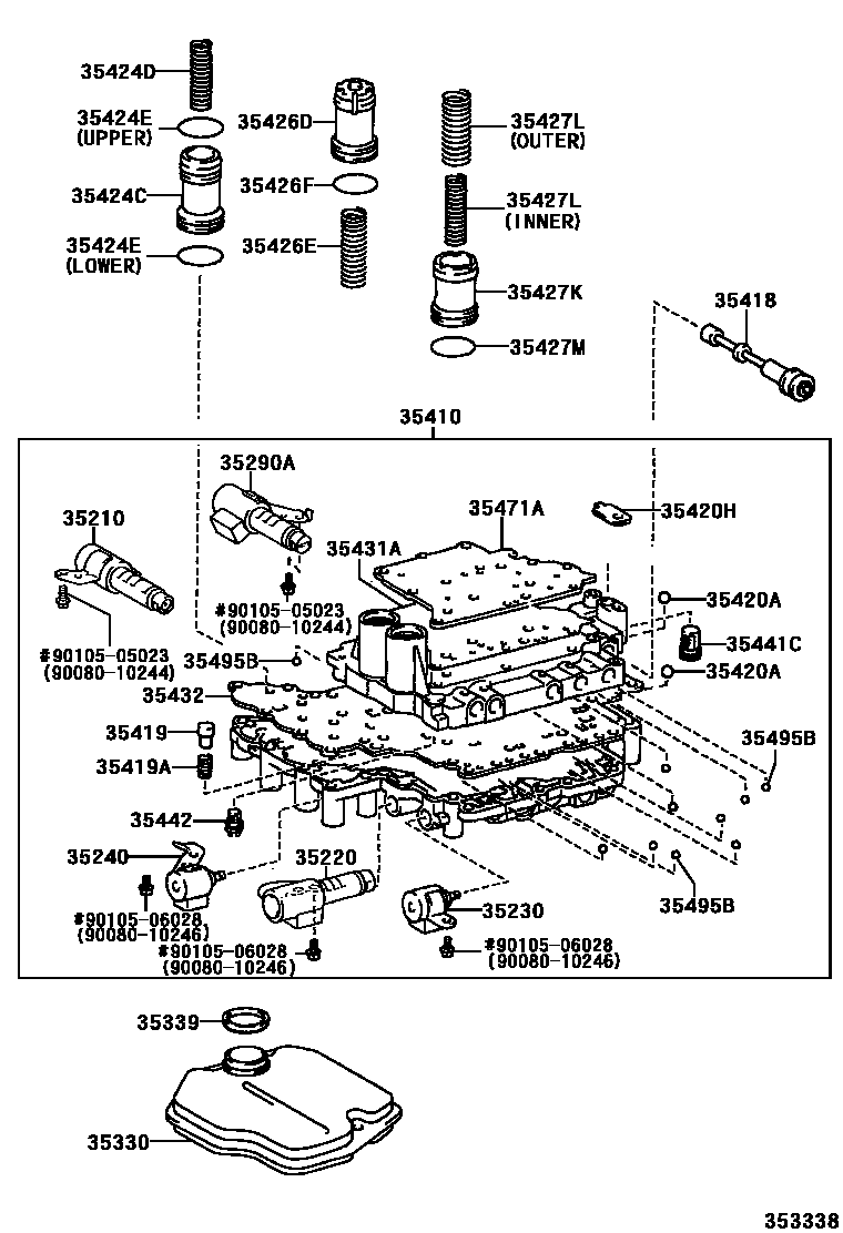
VALVE BODY & OIL STRAINER (ATM)

Parts diagram
35210SOLENOID ASSY, CLUTCH CONTROL, NO.1
main35210-21010i200107-200406
main35210-33020i200406-200602
AISIN AW:REFER TO ILLUSTRATION FIG.35-01
main35210-45010i200406-200602
TOYOTA:REFER TO ILLUSTRATION FIG.35-01
main35210-45010i200301-200406
35220SOLENOID ASSY, CLUTCH CONTROL, NO.2
main35220-21010i200107-200406
main35220-33020i200406-200602
AISIN AW:REFER TO ILLUSTRATION FIG.35-01
main35220-45010i200406-200602
TOYOTA:REFER TO ILLUSTRATION FIG.35-01
main35220-45010i200301-200406
35230SOLENOID ASSY, TRANSMISSION 3WAY, NO.2
main35230-21010i200107-200406
main35230-33010i200301-200602
NO.1
main35230-33020i200301-200602
NO.2
35240SOLENOID ASSY, AUTOMATIC TRANSMISSION 3WAY
main35240-21010i200107-200406
main35240-33030i200301-200602
35290SOLENOID ASSY, LINE PRESSURE CONTROL
main35290-33020i200406-200602
AISIN AW:REFER TO ILLUSTRATION FIG.35-01
main35290-33030i200406-200602
main35290-45010i200406-200602
TOYOTA:REFER TO ILLUSTRATION FIG.35-01
main35290-45010i200301-200406
35290ASOLENOID ASSY, LINE PRESSURE CONTROL
main35290-21010i200107-200406
35330STRAINER ASSY, VALVE BODY OIL
main35330-06010i200107-200406
main35330-08010i200301-200602
35339GASKET, OIL STRAINER
main90080-30077i200301-200406
main90080-30077i200107-200406
(L)
main90080-30077i200406-200602
TOYOTA:REFER TO ILLUSTRATION FIG.35-01
main90301-32010i200301-200406
(J)
main90301-32010i200406-200602
main90301-32012i200406-200602
AISIN AW:REFER TO ILLUSTRATION FIG.35-01
35410BODY ASSY, TRANSMISSION VALVE
main35410-06010i200107-200404
(L)
main35410-08010i200301-200406
main35410-08010i200406-200602
TOYOTA:REFER TO ILLUSTRATION FIG.35-01
main35410-33130i200406-200602
AISIN AW:REFER TO ILLUSTRATION FIG.35-01
main35410-33150i200406-200602
main35410-48011i200301-200406
(J)
35418VALVE, MANUAL
main35418-21011i200107-200406
main35418-33010i200301-200602
35419VALVE, CHECK, NO.1
main35419-32010i200107-200404
35419ASPRING, COMPRESSION (FOR CHECK VALVE)
main90080-50303i200107-200404
35420ABALL (FOR PRESSURE RELIEF)
main90080-36186i200212-200404
main90080-36192i200112-200212
main90360-10006i200107-200112
35420HCOVER, CHECK BALL
main35493-28010i200107-200404
35424CPISTON, C-1 ACCUMULATOR
main35424-06010i200107-200404
(L)
main35424-21010i200301-200406
(J)
35424DSPRING, COMPRESSION (FOR C-1 ACCUMULATOR PISTON)
main90080-50304i200107-200404
(L)
main90080-50314i200107-200301
main90501-22039i200301-200406
(J)
35424ERING, O (FOR C-1 ACCUMULATOR PISTON)
main90080-30076i200107-200406
main90080-30076i200309-200602
(L)
main90301-27008i200107-200406
UPPER
main90301-30007i200406-200602
(J)
main90301-30007i200301-200406
(J),LOWER
35426DPISTON, C-3 ACCUMULATOR
main35406-06010i200107-200602
(L)
main35406-21010i200301-200602
(J)
35426ESPRING, COMPRESSION (FOR C-3 ACCUMULATOR PISTON)
main90080-50315i200107-200404
(L)
main90080-50387i200406-200602
TOYOTA:REFER TO ILLUSTRATION FIG.35-01
main90080-50387i200301-200406
main90501-22056i200406-200602
AISIN AW:REFER TO ILLUSTRATION FIG.35-01
main90905-01035i200301-200406
(J)
35426FRING, O (FOR C-3 ACCUMULATOR PISTON)
main90080-30076i200107-200602
(L)
main90080-30076i200301-200406
main90301-30007i200301-200602
(J)
35427KPISTON, B-3 ACCUMULATOR
main35427-06010i200107-200406
(L)
main35427-06010i200406-200602
TOYOTA:REFER TO ILLUSTRATION FIG.35-01,(L)
main35427-21010i200301-200406
(J)
main35427-21010i200406-200602
TOYOTA:REFER TO ILLUSTRATION FIG.35-01,(J)
main35427-28010i200406-200602
AISIN AW:REFER TO ILLUSTRATION FIG.35-01
35427LSPRING, COMPRESSION (FOR B-3 ACCUMULATOR PISTON)
main90080-50305i200107-200404
(L),INNER
main90080-50309i200107-200301
(L),INNER
main90080-50313i200107-200404
(L),OUTER
main90080-50388i200301-200406
INNER
main90080-50388i200406-200602
TOYOTA:REFER TO ILLUSTRATION FIG.35-01,INNER
main90080-50389i200301-200406
OUTER
main90080-50389i200406-200602
TOYOTA:REFER TO ILLUSTRATION FIG.35-01,OUTER
main90501-19037i200406-200602
AISIN AW:REFER TO ILLUSTRATION FIG.35-01,INNER
main90501-22038i200301-200406
(J),INNER
main90501-25053i200301-200406
(J),OUTER
main90501-26096i200406-200602
AISIN AW:REFER TO ILLUSTRATION FIG.35-01,OUTER
35427MRING, O (FOR B-3 ACCUMULATOR PISTON)
main90301-28008i200107-200602
35431AGASKET, UPPER VALVE BODY COVER
main35431-21010i200107-200404
35432PLATE, VALVE BODY, NO.1
main35432-48010i200107-200404
35441CSTRAINER, SOLENOID OIL
main35441-21010i200107-200309
main35441-21011i200309-200404
35442STRAINER, THROTTLE MODULATOR OIL
main35442-21010i200107-200309
main35442-21011i200309-200404
35471ACOVER, UPPER VALVE BODY
main35471-21011i200107-200404
35495BBALL, CHECK, NO.1
main35495-08010i200309-200404
main35495-22020i200107-200309
9008010244
9008010246
9010505023
9010506028

33 parts on this diagram · 8 diagrams in section

VALVE BODY & OIL STRAINER (ATM) — Toyota Parts Diagram with OEM Numbers & Prices | EPC Data