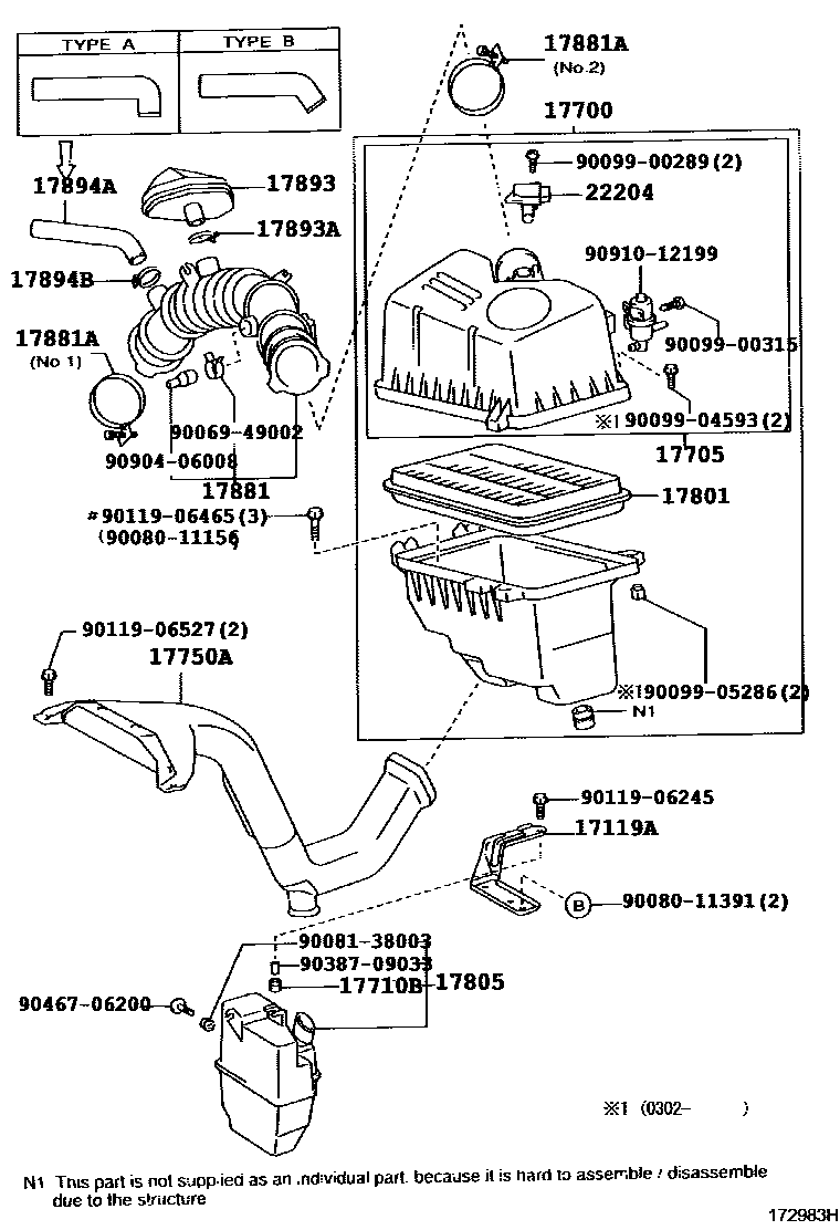
AIR CLEANER

17119ABRACKET, AIR CLEANER
(J)
(L)
main17119-AA020i1MZFE..MCV30..NAP..SE; 2AZFE..ACV30..NAP..4FC; 3MZFE..MCV31..NAP;1MZFE..MCV30..NAP..(LE,XLE)200307-200406
17700CLEANER ASSY, AIR
17705CAP SUB-ASSY, AIR CLEANER
17710BGROMMET
17750AINLET ASSY, AIR CLEANER
main17750-20110i1MZFE..MCV30..NAP..4FC;1MZFE..MCV30..NAP..SE..5FC; 3MZFE..MCV31..NAP;1MZFE..MCV30..NAP..(LE,XLE)..5FC200107-200406
(J)
(L)
(L)
17801ELEMENT SUB-ASSY, AIR CLEANER FILTER
17805CONNECTOR SUB-ASSY, INTAKE AIR
17881HOSE, AIR CLEANER, NO.1
(J)
main17881-AA010i1MZFE..MCV30..NAP..4FC;1MZFE..MCV30..NAP..SE..5FC; 3MZFE..MCV31..NAP;1MZFE..MCV30..NAP..(LE,XLE)..5FC200107-200406
(L)
17881ACLAMP(FOR AIR CLEANER HOSE, NO.1)
NO.1
NO.2
17893RESONATOR, INTAKE AIR
17893ACLAMP, HOSE
17894ARESONATOR, INTAKE AIR, NO.2
TYPE A:REFER TO ILLUSTRATION
TYPE B:REFER TO ILLUSTRATION
17894BCLAMP, HOSE(FOR INTAKE AIR RESONATOR, NO.2)
22204METER SUB-ASSY, INTAKE AIR FLOW
9006949002
main90069-49002
9008011156
main90080-11156
9008011391
main90080-11391
9008138003
main90081-38003
9009900289
main90099-00289
9009900315
main90099-00315
9009904593
main90099-04593
9009905286
main90099-05286
9011906245
main90119-06245
9011906465
main90119-06465
9011906527
main90119-06527
9038709033
main90387-09033
9046706200
main90467-06200
9090406008
main90904-06008
9091012199
main90910-12199
29 parts on this diagram · 6 diagrams in section