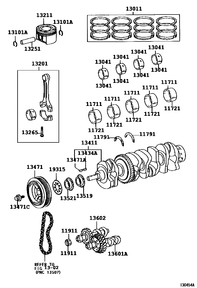
CRANKSHAFT & PISTON

11711BEARING, CRANKSHAFT
MARK 1,NO.2,(L):REFER R/M
MARK 2,NO.2,(L):REFER R/M
MARK 3,NO.2,(L):REFER R/M
MARK 4,NO.2,(L):REFER R/M
MARK 5,NO.2,(L):REFER R/M
MARK 6,NO.2,(L):REFER R/M
MARK 7,NO.2,(L):REFER R/M
MARK 1,NO.2,(L):REFER R/M
MARK 2,NO.2,(L):REFER R/M
MARK 3,NO.2,(L):REFER R/M
MARK 4,NO.2,(L):REFER R/M
MARK 5,NO.2,(L):REFER R/M
MARK 6,NO.2,(L):REFER R/M
MARK 7,NO.2,(L):REFER R/M
NO.2,(J):REFER R/M
MARK 1,NO.2,(J):REFER R/M
MARK 2,NO.2,(J):REFER R/M
MARK 3,NO.2,(J):REFER R/M
MARK 4,NO.2,(J):REFER R/M
MARK 5,NO.2,(J):REFER R/M
MARK 6,NO.2,(J):REFER R/M
MARK 7,NO.2,(J):REFER R/M
MARK 1,NO.2,(J):REFER R/M
MARK 2,NO.2,(J):REFER R/M
MARK 3,NO.2,(J):REFER R/M
MARK 4,NO.2,(J):REFER R/M
MARK 5,NO.2,(J):REFER R/M
MARK 6,NO.2,(J):REFER R/M
MARK 7,NO.2,(J):REFER R/M
MARK 3,NO.1,(L):REFER R/M
MARK 4,NO.1,(L):REFER R/M
MARK 5,NO.1,(L):REFER R/M
MARK 6,NO.1,(L):REFER R/M
MARK 7,NO.1,(L):REFER R/M
MARK 1,NO.1,(L):REFER R/M
MARK 2,NO.1,(L):REFER R/M
MARK 3,NO.1,(L):REFER R/M
MARK 4,NO.1,(L):REFER R/M
MARK 5,NO.1,(L):REFER R/M
MARK 6,NO.1,(L):REFER R/M
MARK 7,NO.1,(L):REFER R/M
NO.1,(J):REFER R/M
MARK 1,NO.1,(J):REFER R/M
MARK 2,NO.1,(J):REFER R/M
MARK 3,NO.1,(J):REFER R/M
MARK 4,NO.1,(J):REFER R/M
MARK 5,NO.1,(J):REFER R/M
MARK 6,NO.1,(J):REFER R/M
MARK 7,NO.1,(J):REFER R/M
MARK 1,NO.1,(J):REFER R/M
MARK 2,NO.1,(J):REFER R/M
MARK 3,NO.1,(J):REFER R/M
MARK 4,NO.1,(J):REFER R/M
MARK 5,NO.1,(J):REFER R/M
MARK 6,NO.1,(J):REFER R/M
MARK 7,NO.1,(J):REFER R/M
MARK 1,(L):REFER R/M
MARK 2,(L):REFER R/M
MARK 3,(L):REFER R/M
MARK 4,(L):REFER R/M
*108,MARK1,(L):REFER R/M
*108,MARK2,(L):REFER R/M
*108,MARK3,(L):REFER R/M
*108,MARK4,(L):REFER R/M
MARK 1,*107:REFER R/M
MARK 2,(J):REFER R/M
MARK 3,(J):REFER R/M
MARK 4,*107:REFER R/M
*108,MARK1,(J):REFER R/M
MARK 2,*107:REFER R/M
*108,MARK3,(J):REFER R/M
*108,MARK4,(J):REFER R/M
11721BEARING, CRANKSHAFT, NO.2
MARK 1,(L):REFER R/M
MARK 2,(L):REFER R/M
MARK 3,(L):REFER R/M
MARK 4,(L):REFER R/M
*108,MARK1,(L):REFER R/M
*108,MARK2,(L):REFER R/M
*108,MARK3,(L):REFER R/M
*108,MARK4,(L):REFER R/M
MARK 1,*107:REFER R/M
MARK 2,*107:REFER R/M
MARK 3,*107:REFER R/M
MARK 4,(J):REFER R/M
MARK1,*107:REFER R/M
MARK2,*107:REFER R/M
MARK3,*107:REFER R/M
*108,MARK4,(J):REFER R/M
11791WASHER, CRANKSHAFT THRUST, UPPER
STD,(L)
STD,(J)
11911BEARING, BALANCESHAFT, NO.1
MARK 1
MARK 2
MARK 3
13011RING SET, PISTON
STD,(L)
STD
STD,(L)
STD,*108
STD,(J)
STD,*107
STD,*195
1302CAMSHAFT & VALVE
13041BEARING, CONNECTING ROD
MARK 1,(L):REFER R/M
MARK 2,(L):REFER R/M
MARK 3,(L):REFER R/M
MARK 4,(L):REFER R/M
(J)
MARK 1,(J):REFER R/M
MARK 2,(J):REFER R/M
MARK 3,(J):REFER R/M
MARK 4,(J):REFER R/M
MARK1,(J):REFER R/M
MARK2,(J):REFER R/M
MARK3,(J):REFER R/M
MARK4,(J):REFER R/M
MARK 1,(L):REFER R/M
MARK 2,(L):REFER R/M
MARK 3,(L):REFER R/M
MARK1,(L):REFER R/M
MARK2,(L):REFER R/M
MARK3,(L):REFER R/M
MARK 1,(J):REFER R/M
MARK 2,(J):REFER R/M
MARK 3,(J):REFER R/M
13101PISTON SUB-ASSY, W/PIN
STD,RH
STD
STD,RH
STD,LH
STD,LH
13101ARING, HOLE SNAP(FOR PISTON PIN)
13201ROD SUB-ASSY, CONNECTING
(L)
MARK A,(L):REFER R/M
MARK B,(L):REFER R/M
MARK C,(L):REFER R/M
(L)
(L)
MARK A,(L):REFER R/M
MARK B,(L):REFER R/M
MARK C,(L):REFER R/M
MARK A,(J):REFER R/M
MARK B,(J):REFER R/M
MARK C,(J):REFER R/M
(J)
MARK A,(J):REFER R/M
MARK B,(J):REFER R/M
MARK C,(J):REFER R/M
(J)
(J)
(J)
13211PISTON
REFER TO REPAIR MANUAL,MARK A,*108
REFER TO REPAIR MANUAL,MARK B,*108
MARK C,*108:REFER R/M
REFER TO REPAIR MANUAL,MARK A,*107
REFER TO REPAIR MANUAL,MARK B,*107
REFER TO REPAIR MANUAL,MARK C,*107
13251PIN, PISTON
MARK A,(L):REFER R/M
MARK B,(L):REFER R/M
MARK C,(L):REFER R/M
MARK A,(J):REFER R/M
MARK B,(J):REFER R/M
MARK C,(J):REFER R/M
13265BOLT, CONNECTING ROD
13411CRANKSHAFT
(L)
(L)
(L)
(J)
(J)
13434AKEY(FOR OIL PUMP DRIVE SPLINE)
13471PULLEY, CRANKSHAFT
(L)
(J)
13471AKEY, CRANKSHAFT(FOR CRANKSHAFT PULLEY SET)
13471CBOLT(FOR CRANKSHAFT PULLEY SET)
(L)
(J)
13519GEAR, OIL PUMP DRIVE
(L)
(J)
13521GEAR OR SPROCKET, CRANKSHAFT TIMING
(L)
(J)
(J)
13601ABALANCESHAFT SUB-ASSY, NO.1
(L)
(J)
*107
*107
13602BALANCESHAFT SUB-ASSY, NO.2
(L),*108
(J)
(J),*108
*107
19315PLATE, CRANK ANGLE SENSOR, NO.1
(L)
(J)
23 parts on this diagram · 2 diagrams in section