E
EPC Data

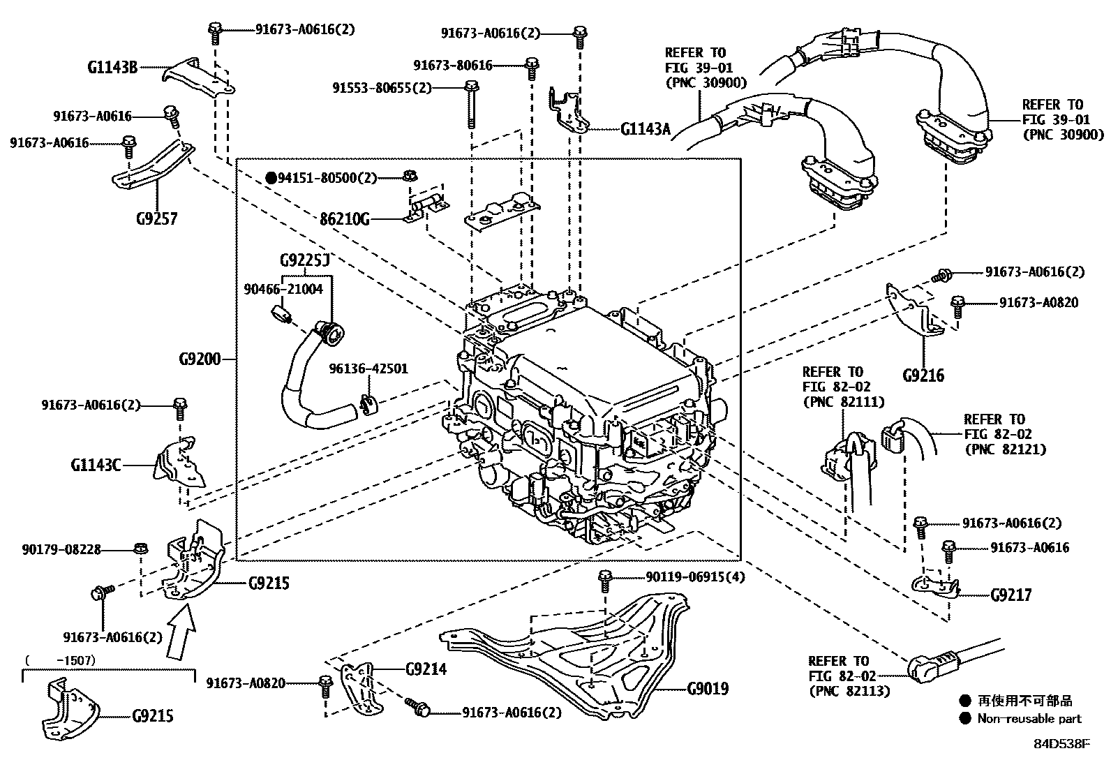
HEV INVERTER

Parts diagram
3901TRANSAXLE ASSY(HEV OR BEV OR FCEV)
8202WIRING & CLAMP
86210GFUSE, HIGH VOLTAGE
main90982-11050i201206-201507
G1143ABRACKET, MOTOR CABLE, NO.1
mainG114333010i201206-201507
G1143BBRACKET, MOTOR CABLE, NO.2
mainG114333020i201206-201507
G1143CBRACKET, MOTOR CABLE, NO.3
mainG114333030i201206-201507
G9019BRACKET SUB-ASSY, INVERTER TRAY
mainG901906010i201206-201507
G9200INVERTER ASSY, W/CONVERTER
mainG92A033020i201206-201310
mainG92A033021i201311-201507
G9214BRACKET, INVERTER, NO.1
mainG921433020i201206-201507
G9215BRACKET, INVERTER, NO.2
mainG901533011i201206-201507
mainG901533020i201507
G9216BRACKET, INVERTER, NO.3
mainG921633020i201206-201507
G9217BRACKET, INVERTER, NO.4
mainG921733050i201206-201507
G9225JHOSE, INVERTER COOLING, NO.1
mainG922533060i201206-201507
G9257BRACKET, INVERTER, NO.5
mainG925733020i201206-201507
9011906915
9017908228
9046621004
9155380655
9167380616
91673A0616
91673A0820
9415180500
9613642501

23 parts on this diagram · 1 diagram in section

HEV INVERTER — Toyota Parts Diagram with OEM Numbers & Prices | EPC Data