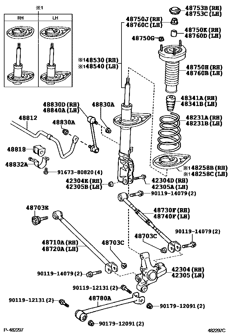
REAR SPRING & SHOCK ABSORBER

42304CARRIER SUB-ASSY, REAR AXLE, RH
(L)
(J)
42304DBOLT (FOR REAR AXLE CARRIER RH)
42304ENUT (FOR REAR AXLE CARRIER RH)
42305CARRIER SUB-ASSY, REAR AXLE, LH
(L)
(J)
42305ABOLT (FOR REAR AXLE CARRIER LH)
42305BNUT (FOR REAR AXLE CARRIER LH)
48258BINSULATOR, REAR COIL SPRING, LOWER RH
48258CINSULATOR, REAR COIL SPRING, LOWER LH
48341ABUMPER, REAR SPRING, NO.1 RH
sub48341-32054
48341BBUMPER, REAR SPRING, NO.1 LH
sub48341-32054
48530ABSORBER ASSY, SHOCK, REAR RH
MARK 48530-33421
48540ABSORBER ASSY, SHOCK, REAR LH
MARK 48540-33421
48703CNUT(FOR REAR SUSPENSION ARM)
48703EBOLT(FOR REAR SUSPENSION ARM)
*14-1.50PX76-36
48710AARM ASSY, REAR SUSPENSION, NO.1 RH
48720AARM ASSY, REAR SUSPENSION, NO.1 LH
48730FARM ASSY, REAR SUSPENSION, NO.2 RH
48740FARM ASSY, REAR SUSPENSION, NO.2 LH
48750GNUT(FOR REAR SUSPENSION SUPPORT)
48750HSUPPORT ASSY, REAR SUSPENSION, RH
sub48750-33130
48750JNUT(FOR REAR SUPPORT TO REAR SHOCK ABSORBER RH)
48750KCOLLAR(FOR REAR SUPPORT TO REAR SHOCK ABSORBER RH)
48753BCOVER, REAR SUSPENSION SUPOPORT, NO.1 RH
48753CCOVER, REAR SUSPENSION SUPOPORT, NO.1 LH
48760BSUPPORT ASSY REAR SUSPENSION, LH
sub48760-33130
48760CNUT(FOR REAR SUPPORT TO REAR SHOCK ABSORBER LH)
48760DCOLLAR(FOR REAR SUPPORT TO REAR SHOCK ABSORBER LH)
48780AROD ASSY, STRUT, REAR
48812BAR, STABILIZER, REAR
48818BUSH, STABILIZER, REAR
sub48818-33101
48830ANUT(FOR REAR STABILIZER LINK)
48830DLINK ASSY, REAR STABILIZER, RH
48832ABRACKET, REAR STABILIZER BAR, NO.1
48840ALINK ASSY, REAR STABILIZER, LH
9011912131
main90119-12131
9011914079
main90119-14079
9017912091
main90179-12091
9167380820
main91673-80820
40 parts on this diagram · 1 diagram in section