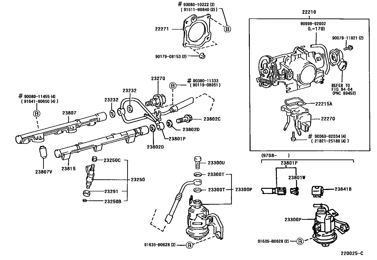
FUEL INJECTION SYSTEM

22210BODY ASSY, THROTTLE
(L)
(J)
CALIFORNIA SPEC
CALIFORNIA SPEC
22215GASKET, THROTTLE BODY COVER
CALIFORNIA SPEC
22215AGASKET, IDLE SPEED CONTROL VALVE
(L)
(J)
22270VALVE ASSY, IDLE SPEED CONTROL(FOR THLOTTLE BODY)
(L)
(J)
CALIFORNIA SPEC
CALIFORNIA SPEC
22271GASKET, THROTTLE BODY
(L)
(J)
23232GASKET(FOR FUEL PUMP HOSE)
23250INJECTOR ASSY, FUEL
CALIFORNIA SPEC,(L)
(L)
(J)
CALIFORNIA SPEC
CALIFORNIA SPEC,(J)
23250BRING, O(FOR FUEL INJECTOR)
CALIFORNIA SPEC
23250CGROMMET(FOR FUEL INJECTOR)
23270DAMPER ASSY, FUEL PRESSURE PULSATION
23291INSULATOR, INJECTOR VIBRATION
CALIFORNIA SPEC
23300PFILTER, FUEL(FOR EFI)
TYPE B:REFER TO ILLUSTRATION
TYPE A:REFER TO ILLUSTRATION
23300TGASKET(FOR FUEL FILTER)
23300UBOLT, UNION(FOR FUEL FILTER)
23801PPIPE SUB-ASSY, FUEL, NO.1
23801WCLIP, FUEL TUBE CONNECTOR
23802CBOLT, UNION(FOR FUEL PIPE NO.2)
23802DGASKET(FOR FUEL PIPE NO.2)
23807PIPE SUB-ASSY, FUEL DELIVERY
23807VSPACER, NO.1(FOR DELIVERY PIPE)
23815PIPE, FUEL DELIVERY, NO.2
23841BCLAMP, FUEL PIPE, NO.1(FOR EFI)
8404ELECTRONIC FUEL INJECTION SYSTEM
2182125180SCREW, 2ND THROTTLE VALVE SET
main21821-25180
9006902034
main90069-02034
9007911021
main90079-11021
9008010222
main90080-10222
9008011333
main90080-11333
9008011455
main90080-11455
9011908951
main90119-08951
9017908153
main90179-08153
9099992002
main90999-92002
91511B0840
main91511-B0840
91635B0628
main91635-B0628
9164180650
main91641-80650
35 parts on this diagram · 8 diagrams in section