E
EPC Data

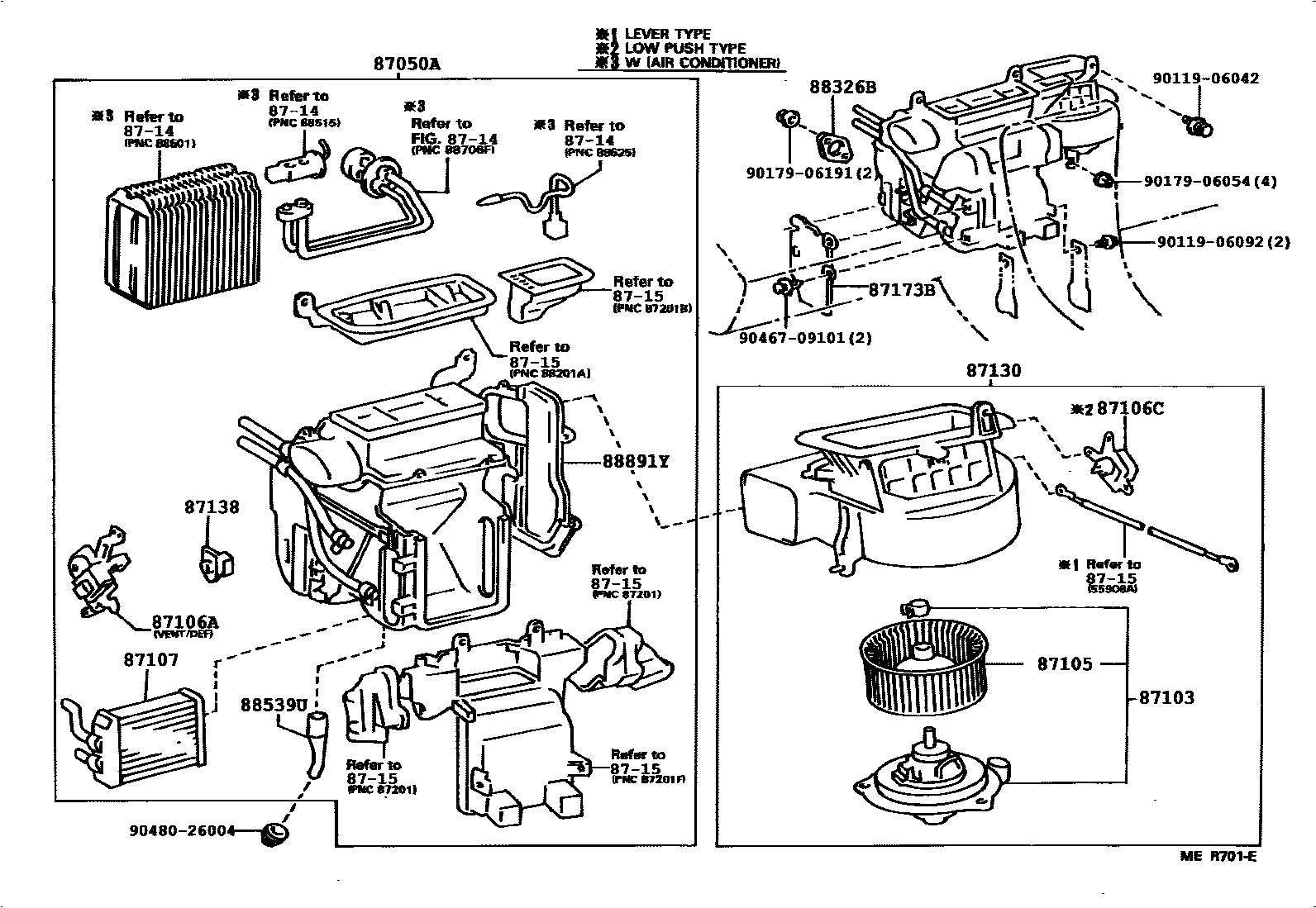
HEATING & AIR CONDITIONING - HEATER UNIT & BLOWER

Parts diagram
87050ARADIATOR ASSY, AIR CONDITIONER
main87050-06090i199308-199608
(L)
main87050-06100i199308-199608
W(AIR CONDITIONER),(L)
main87050-06110i199308-199608
(L)
main87050-33030i199106-199308
main87050-33040i199106-199308
W(AIR CONDITIONER)
main87050-33100i199106-199308
main87050-33110i199106-199308
W(AIR CONDITIONER)
main87050-33260i199308-199608
main87050-33270i199308-199608
W(AIR CONDITIONER)
main87050-33310i199308-199608
87103MOTOR SUB-ASSY, HEATER BLOWER, W/FAN
main87103-06010i199408-199507
*ND USA
main87103-06011i199507-199608
*ND USA
main87103-33020i199106-199408
(J)
main87103-33021i199506-199608
*ND
87105FAN SUB-ASSY, HEATER BLOWER
main87105-06010i199308-199408
main87105-33020i199106-199408
(J)
87106ASERVO SUB-ASSY, DAMPER
main87106-06010i199308-199408
main87106-33030i199408-199608
*ND
87106CSERVO SUB-ASSY, DAMPER(FOR BLOWER)
main87106-06030i199408-199608
NIPPONDENSO USA
main87106-33070i199106-199408
(J)
87107UNIT SUB-ASSY, HEATER RADIATOR
main87107-06010i199408-199608
NIPPONDENSO USA
main87107-33020i199408-199608
NIPPONDENSO
87130BLOWER ASSY, HEATER, FRONT
main87130-06020i199308-199408
main87130-06030i199408-199608
NIPPONDENSO USA
main87130-33030i199106-199308
main87130-33040i199106-199408
NIPPONDENSO
main87130-33080i199308-199408
NIPPONDENSO
87138RESISTOR, HEATER BLOWER
main87138-06010i199408-199608
NIPPONDENSO
main87138-06020i199408-199608
NIPPONDENSO
main87138-33010i199106-199408
NIPPONDENSO USA
main87138-33020i199106-199408
NIPPONDENSO USA
8714HEATING & AIR CONDITIONING - COOLER UNIT
8715HEATING & AIR CONDITIONING - CONTROL & AIR DUCT
87173BPROTECTOR, HEATER
main87173-33010i199106-199608
88326BPLATE, COVER
main88326-33010i199106-199308
W(AIR CONDITIONER)
main88326-33020i199106-199308
88539UHOSE, COOLER DRAIN
main88539-06010i199308-199408
*ND USA
main88539-33010i199106-199308
88891YCOVER, COOLER,NO.1
main88891-06010i199408-199608
*ND USA; *ND USA,NO.1; MAKER OPT,*ND USA,NO.1
main88891-33020i199408-199602
*ND; *ND,NO.1; MAKER OPT,*ND,NO.1
main88891-33021i199602-199608
*ND; *ND,NO.1; MAKER OPT,*ND,NO.1
main88891-33030i199106-199308
DEALER OPTION
9011906042
9011906092
9017906054
9017906191
9046709101
9048026004

20 parts on this diagram · 1 diagram in section

HEATING & AIR CONDITIONING - HEATER UNIT & BLOWER — Toyota Parts Diagram with OEM Numbers & Prices | EPC Data