E
EPC Data

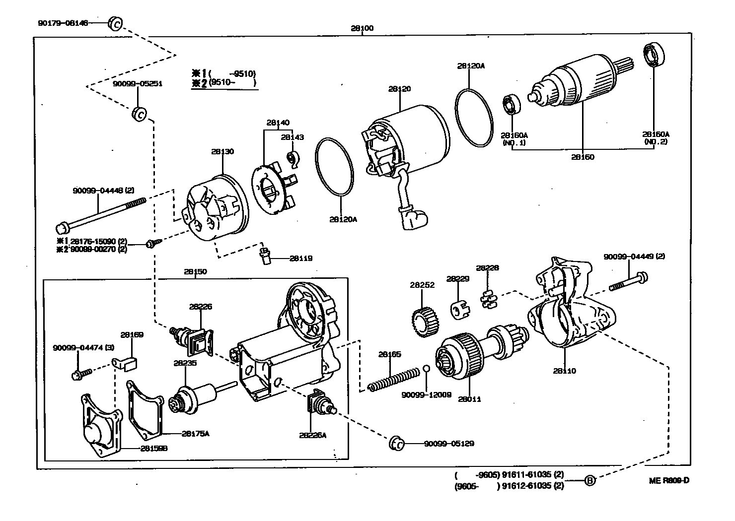
STARTER

Parts diagram
28011CLUTCH SUB-ASSY, STARTER
main28011-74070i199106-199608
28100STARTER ASSY
main28100-03030i199204-199408
12V 1.4KW,*ND USA
main28100-03070i199408-199608
12V 1.4KW,*ND USA
main28100-74100i199204-199408
12V 1.4KW,*ND
main28100-74140i199408-199608
12V 1.4KW,*ND
28110HOUSING ASSY, STARTER DRIVE
main28110-74100i199106-199608
28119COVER, STARTER END FRAME
main28199-74100i199106-199308
main28199-74110i199308-199608
28120YOKE ASSY, STARTER
main28120-66040i199409-199608
main28120-74070i199106-199409
28120ARING, O(FOR STARTER YOKE)
main90099-14064×2i199106-199608
28130FRAME ASSY, STARTER COMMUTATOR END
main28130-74100i199106-199608
28140HOLDER ASSY, STARTER BRUSH
main28140-74070i199106-199608
28143SPRING, STARTER BRUSH
main90099-17112×4i199106-199608
28150SWITCH ASSY, MAGNET STARTER
main28150-74100i199106-199308
main28150-74130i199308-199409
main28150-74140i199409-199608
28159BCOVER, MAGNET SWITCH
main28159-55050i199106-199608
28160ARMATURE ASSY, STARTER
main28160-74070i199106-199608
28160ABEARING, STARTER ARMATURE
main90099-10196i199106-199608
NO.1
main90099-10197i199106-199608
NO.2
28165SPRING, STARTER MAGNET SWITCH RETURN
main28165-74070i199106-199608
28169CLAMP, STARTER MOTOR LEAD WIRE
main28169-55050i199106-199608
28175AGASKET, MAGNET SWITCH COVER
main28175-55050i199106-199608
28226STARTER KIT, BATTERY TERMINAL
main28226-16130i199106-199408
main28226-55050i199408-199608
28226ASTARTER KIT, MOTOR TERMINAL
main28226-74070i199106-199608
28228ROLLER, STARTER IDLE GEAR CLUTCH
main28228-26040×5i199106-199608
28229RETAINER, STARTER IDLE GEAR
main28229-74070i199106-199608
28235PLUNGER, MAGNET SWITCH
main28235-74130i199106-199608
28252GEAR, STARTER IDLE
main28254-74070i199106-199608
2817615090SCREW, STARTER
9009900270
9009904448
9009904449
9009904474
9009905129
9009905251
9009912009
9017908146
9161161035
9161261035

33 parts on this diagram · 1 diagram in section

STARTER — Toyota Parts Diagram with OEM Numbers & Prices | EPC Data