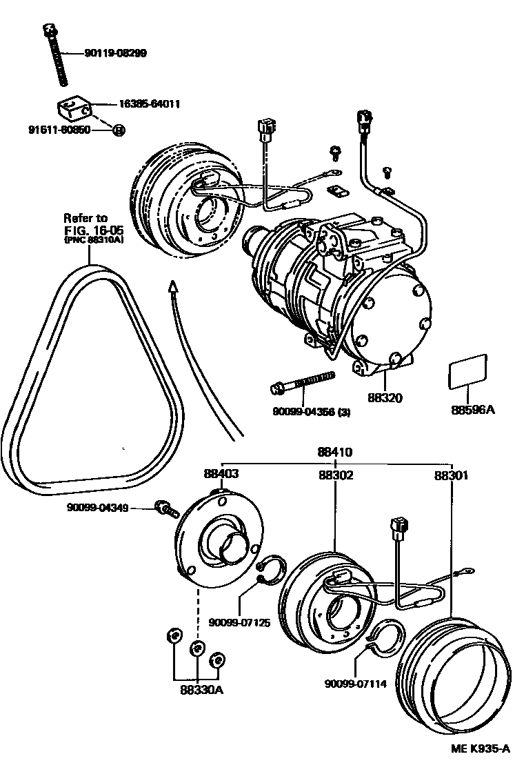
HEATING & AIR CONDITIONING - COMPRESSOR

1605V-BELT
88301ROTOR SUB-ASSY, MAGNET CLUTCH
88302STATOR SUB-ASSY, MAGNET CLUTCH
88320COMPRESSOR ASSY, COOLER
88330AWASHER (FOR MAGNET CLUTCH)
88403HUB SUB-ASSY, MAGNET CLUTCH
88410CLUTCH ASSY, MAGNET
88596APLATE, CAUTION
1638564011SLIDER, FAN BELT ADJUSTING
main16385-64011
9009904349
main90099-04349
9009904356
main90099-04356
9009907114
main90099-07114
9009907125
main90099-07125
9011908299
main90119-08299
9161160850
main91611-60850
15 parts on this diagram · 4 diagrams in section