ELECTRONIC FUEL INJECTION SYSTEM

85910ARELAY ASSY, CIRCUIT OPENING (FOR EFI)
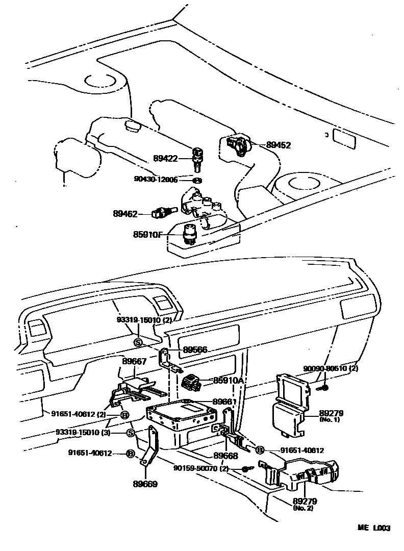
85910FRELAY, COMPUTER (FOR EFI)
89279COVER, ENGINE CONTROL COMPUTER
NO.1
NO.1
NO.2
89422SENSOR, WATER TEMPERATURE (FOR E.F.I.)
89566BRACKET, FUEL INJECTION COMPUTER
89661COMPUTER, ENGINE CONTROL
sub89661-32251
sub89661-32252
sub89661-32261
sub89661-32262
sub89661-32321
sub89661-32323
sub89661-32332
CALIFORNIA SPEC
CALIFORNIA SPEC
CALIFORNIA SPEC
CALIFORNIA SPEC
sub89661-32372
sub89661-32382
CALIFORNIA SPEC
CALIFORNIA SPEC
sub89661-32560
sub89661-32570
sub89661-32561
sub89661-32571
CALIFORNIA SPEC
CALIFORNIA SPEC
89667BRACKET, ENGINE CONTROL COMPUTER
89668BRACKET, ENGINE CONTROL COMPUTER, NO.2
89669BRACKET, ENGINE CONTROL COMPUTER, NO.3
9009080510
main90090-80510
9015950070
main90159-50070
9043012005
main90430-12005
9165140612
main91651-40612
9331915010
main93319-15010
16 parts on this diagram · 2 diagrams in section