E
EPC Data

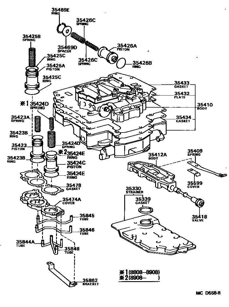
VALVE BODY & OIL STRAINER (ATM)

Parts diagram
35330STRAINER ASSY, VALVE BODY OIL
main35330-32021i198808-198911
main35330-32022i198911-199106
main35330-32030i198808-199106
35339GASKET, OIL STRAINER
main35339-32010i198808-199106
main35339-32020i198808-199106
35409SPRING SUB-ASSY, MANUAL DETENT
main35409-32020i199006-199007
main35409-32030i199007-199106
35410BODY ASSY, TRANSMISSION VALVE
main35410-20120i198808-198911
main35410-20121i198911-199106
main35410-20180i198808-199006
main35410-32090i198808-199106
main35410-32110i198808-199106
main35410-32140i199006-199106
35412ABODY, MANUAL VALVE
main35412-32010i198808-199106
main35412-32020i198808-199106
35418VALVE, MANUAL
main35418-32010i198808-199106
35423PISTON, B-2 ACCUMULATOR
main35403-20010i199006-199106
main35403-32010i198808-199106
main35423-32010i198911-199006
35423ASPRING, COMPRESSION (FOR B-2 ACCUMULATOR PISTON)
main90501-21004i198808-199105
main90501-24016i198911-199006
main90501-25031i199105-199106
main90501-26014i198808-198911
35423BRING, O (FOR B-2 ACCUMULATOR PISTON)
main90301-21006i198808-199106
UPR
main90301-22185i198808-199106
UPR
main90301-29187i198808-199106
LWR
main90301-30005i198808-199106
LWR
35424CPISTON, C-1 ACCUMULATOR
main35424-20020i198908-199106
main35424-32010i198808-198908
main35424-32020i198808-199105
main35424-32021i199105-199106
35424DSPRING, COMPRESSION (FOR C-1 ACCUMULATOR PISTON)
main90501-18084i199007-199106
main90501-18089i199001-199007
main90501-22005i198808-198908
OUTER
main90501-23044i198808-198908
INNER
main90501-29018i198808-199001
OUTER
main90501-29029i199105-199106
main90501-29030i199001-199105
OUTER
main90501-29033i199105-199106
main90501-32026i198808-199105
INNER
main90504-23001i198908-199001
35424ERING, O (FOR C-1 ACCUMULATOR PISTON)
main90301-23194i198908-199106
UPR
main90301-29187i198908-199106
LWR
main90301-30005i199105-199106
LWR
main90301-36006i198808-199105
35425APISTON, C-2 ACCUMULATOR
main35405-32010i198808-199106
main35425-32010i198808-199106
35425BSPRING, COMPRESSION (FOR C-2 ACCUMULATOR PISTON)
main90501-20094i198808-199105
main90501-20126i199105-199106
main90501-23042i198808-199106
35425CRING, O (FOR C-2 ACCUMULATOR PISTON)
main90301-25002i198808-199106
UPR
main90301-26190i198808-199106
UPR
main90301-29187i198808-199106
LWR
main90301-34007i198808-199106
LWR
35426APISTON, C-0 ACCUMULATOR
main35426-20010i198808-199106
main35426-32020i198808-199106
35426BRING, O (FOR C-0 ACCUMULATOR PISTON)
main90301-22185i198808-199106
main90301-30005i198808-199106
35426CSPRING, COMPRESSION (FOR C-0 ACCUMULATOR PISTON)
main90501-18064i198808-199106
OUTER
main90501-19004i199008-199106
INNER
main90501-26036i198808-199106
INNER
main90501-29019i198808-199106
OUTER
35432PLATE, VALVE BODY, NO.1
main35432-20080i198808-198905
main35432-20081i198905-198911
main35432-20090i198808-198905
main35432-20091i198905-199006
main35432-20210i198911-199106
main35432-32040i198808-199106
main35432-32080i199006-199106
35433GASKET, VALVE BODY, NO.1
main35433-20040i198808-199106
main35433-32020i198808-199106
main35433-32031i198808-199003
main35433-32040i199003-199106
35434GASKET, VALVE BODY, NO.2
main35434-20020i198808-199106
main35434-32020i198808-199106
main35434-32031i198808-199003
main35434-32040i199003-199106
35469DSPACER (FOR C-0 ACCUMULATOR PISTON)
main35469-20010i198808-199106
main35469-32020i198808-199106
35469ERING, SNAP (FOR C-0 ACCUMULATOR PISTON SPACER)
main96151-03000i198808-199106
main96151-03700i198808-199106
35474ACOVER, ACCUMULATOR
main35474-20010i198908-199106
main35474-32010i198808-198908
main35474-32030i198808-199106
35478GASKET, ACCUMULATOR COVER
main35478-32010i198808-199106
main35478-32020i198808-199106
35599COVER, MANUAL DETENT SPRING
main35599-32010i199007-199106
main35599-32020i199007-199106
35844ATUBE, ACCUMULATOR BACK PRESSURE, NO.1
main35844-32011i198808-199106
main35844-32021i198808-199106
main35844-32030i198808-199106
35845TUBE, RR CLUTCH ACCUMULATOR
main35845-32012i198808-199106
main35845-32020i198808-199106
35846TUBE, BRAKE ACCUMULATOR
main35846-20010i198908-199106
main35846-20020i198908-199106
main35846-32012i198808-198908
main35846-32022i198808-198908
main35846-32030i198808-199106
35848TUBE, FORWARD CLUTCH ACCUMULATOR
main35848-32011i198808-199106
main35848-32020i198808-199106
35862BRACKET, ACCUMULATOR APPLY TUBE
main35862-32011i198808-199106
main35862-32020i198808-199106

31 parts on this diagram · 13 diagrams in section

VALVE BODY & OIL STRAINER (ATM) — Toyota Parts Diagram with OEM Numbers & Prices | EPC Data