E
EPC Data

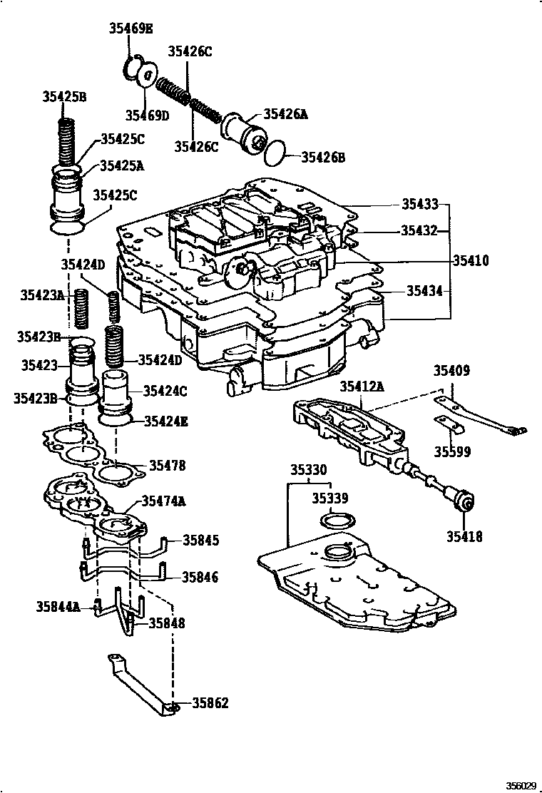
VALVE BODY & OIL STRAINER (ATM)

Parts diagram
35330STRAINER ASSY, VALVE BODY OIL
main35330-32020i198608-198808
main35330-32021i198808-198808
main35330-32030i198802-198808
35339GASKET, OIL STRAINER
main35339-32010i198608-198808
main35339-32020i198802-198808
35409SPRING SUB-ASSY, MANUAL DETENT
main35409-32020i198608-198710
35410BODY ASSY, TRANSMISSION VALVE
main35410-20120i198708-198808
main35410-20130i198608-198708
main35410-20180i198708-198808
main35410-32090i198802-198808
35412ABODY, MANUAL VALVE
main35412-32010i198608-198808
main35412-32020i198802-198808
35418VALVE, MANUAL
main35418-32010i198608-198710
35423PISTON, B-2 ACCUMULATOR
main35403-32010i198802-198808
main35423-32010i198608-198808
35423ASPRING, COMPRESSION (FOR B-2 ACCUMULATOR PISTON)
main90501-21004i198802-198808
main90501-26014i198608-198808
35423BRING, O (FOR B-2 ACCUMULATOR PISTON)
main90301-21006i198802-198808
UPR
main90301-22185i198608-198710
UPR
main90301-29187i198710-198808
LWR
main90301-30005i198802-198808
LWR
35424CPISTON, C-1 ACCUMULATOR
main35424-32010i198608-198808
main35424-32020i198802-198808
35424DSPRING, COMPRESSION (FOR C-1 ACCUMULATOR PISTON)
main90501-22005i198710-198808
OUTER
main90501-23044i198608-198710
INNER
main90501-29018i198802-198808
OUTER
main90501-32026i198802-198808
INNER
35424ERING, O (FOR C-1 ACCUMULATOR PISTON)
main90301-29187i198608-198808
main90301-36006i198802-198808
35425APISTON, C-2 ACCUMULATOR
main35405-32010i198802-198808
main35425-32010i198608-198808
35425BSPRING, COMPRESSION (FOR C-2 ACCUMULATOR PISTON)
main90501-20094i198802-198808
main90501-23042i198608-198808
35425CRING, O (FOR C-2 ACCUMULATOR PISTON)
main90301-25002i198802-198808
UPR
main90301-26190i198608-198710
UPR
main90301-29187i198710-198808
LWR
main90301-34007i198802-198808
LWR
35426APISTON, C-0 ACCUMULATOR
main35426-20010i198608-198808
main35426-32020i198802-198808
35426BRING, O (FOR C-0 ACCUMULATOR PISTON)
main90301-22185i198608-198808
main90301-30005i198802-198808
35426CSPRING, COMPRESSION (FOR C-0 ACCUMULATOR PISTON)
main90501-18064i198608-198710
OUTER
main90501-19004i198608-198710
INNER
main90501-26036i198802-198808
INNER
main90501-29019i198802-198808
OUTER
35432PLATE, VALVE BODY, NO.1
main35432-20080i198708-198808
main35432-20090i198608-198808
main35432-32040i198802-198808
35433GASKET, VALVE BODY, NO.1
main35433-20040i198708-198808
main35433-32010i198608-198708
main35433-32020i198708-198808
35434GASKET, VALVE BODY, NO.2
main35434-20020i198708-198808
main35434-32010i198608-198708
main35434-32020i198708-198808
35469DSPACER (FOR C-0 ACCUMULATOR PISTON)
main35469-20010i198608-198808
main35469-32020i198802-198808
35469ERING, SNAP (FOR C-0 ACCUMULATOR PISTON SPACER)
main96151-03000i198608-198808
main96151-03700i198802-198808
35474ACOVER, ACCUMULATOR
main35474-32010i198608-198808
main35474-32030i198802-198808
35478GASKET, ACCUMULATOR COVER
main35478-32010i198608-198808
main35478-32020i198802-198808
35599COVER, MANUAL DETENT SPRING
main35599-32010i198608-198710
35844ATUBE, ACCUMULATOR BACK PRESSURE, NO.1
main35844-32011i198608-198808
main35844-32021i198708-198808
main35844-32030i198802-198808
35845TUBE, RR CLUTCH ACCUMULATOR
main35845-32011i198710-198808
main35845-32020i198802-198808
35846TUBE, BRAKE ACCUMULATOR
main35846-32011i198608-198808
main35846-32021i198708-198710
main35846-32030i198802-198808
35848TUBE, FORWARD CLUTCH ACCUMULATOR
main35848-32011i198608-198808
main35848-32020i198802-198808
35862BRACKET, ACCUMULATOR APPLY TUBE
main35862-32011i198608-198808
main35862-32020i198802-198808

31 parts on this diagram · 13 diagrams in section

VALVE BODY & OIL STRAINER (ATM) — Toyota Parts Diagram with OEM Numbers & Prices | EPC Data