E
EPC Data

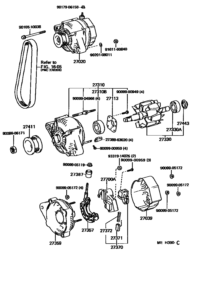
ALTERNATOR

Parts diagram
27020ALTERNATOR ASSY
main27060-62011i198802-198808
12V 70A
main27060-63080i198608-198608
12V 70A,12V 70A
main27060-63081i198608-198702
12V 70A,12V 70A
main27060-63082i198702-198710
12V 70A,12V 70A
27039COVER, ALTERNATOR REAR END
main27039-72010i198608-198710
12V 70A
27113PLATE, BEARING RETAINER, ALTERNATOR
main27312-70200i198710-198808
12V 70A
main27312-72100i198608-198702
12V 70A
27310FRAME ASSY, DRIVE END, ALTERNATOR
main27310-62011i198802-198808
12V 70A
main27310-63021i198608-198702
12V 70A
main27310-70100i198702-198710
12V 70A
27310BBEARING(FOR ALTERNATOR DRIVE END FRAME)
main90099-10159i198608-198702
12V 70A
main90099-10178i198702-198710
12V 70A
27330ROTOR ASSY, ALTERNATOR
main27330-72100i198608-198709
12V 70A
main27330-72101i198709-198710
12V 70A
27330ABEARING(FOR ALTERNATOR ROTOR)
main90099-10140i198608-198710
12V 70A
27357HOLDER, ALTERNATOR, W/RECTIFIER
main27357-63020i198710-198808
12V 70A
27359FRAME, ALTERNATOR RECTIFIER END
main27359-43160i198702-198710
12V 70A
main27359-63081i198608-198702
12V 70A
main27359-70200i198802-198808
12V 70A
27370HOLDER ASSY, ALTERNATOR BRUSH
main27370-63021i198710-198808
12V 70A
27371BRUSH, ALTERNATOR
main27371-63020×2i198608-198710
12V 70A
27372SPRING, ALTERNATOR BRUSH
main27372-72100×2i198608-198710
12V 70A
27387INSULATOR, TERMINAL
main27387-63020i198608-198608
12V 70A
main27387-70170i198608-198710
12V 70A
27411PULLEY, ALTERNATOR
main27411-16180i198702-198710
12V 70A
main27411-62011i198802-198808
12V 70A
main27411-63081i198608-198702
12V 70A
27443COVER, ALTERNATOR BEARING
main27443-63020i198710-198808
12V 70A
27700AREGULATOR ASSY, GENERATOR
main27700-63021i198608-198710
12V 70A
main27700-70030i198802-198808
12V 70A
2738963020INSULATOR, TERMINAL
9009900949
9009900959
9009904966
9009905119
9009905171
9009905172
9010510038
9017906158
9020108011
9161160840
9331914025

29 parts on this diagram · 2 diagrams in section

ALTERNATOR — Toyota Parts Diagram with OEM Numbers & Prices | EPC Data