E
EPC Data

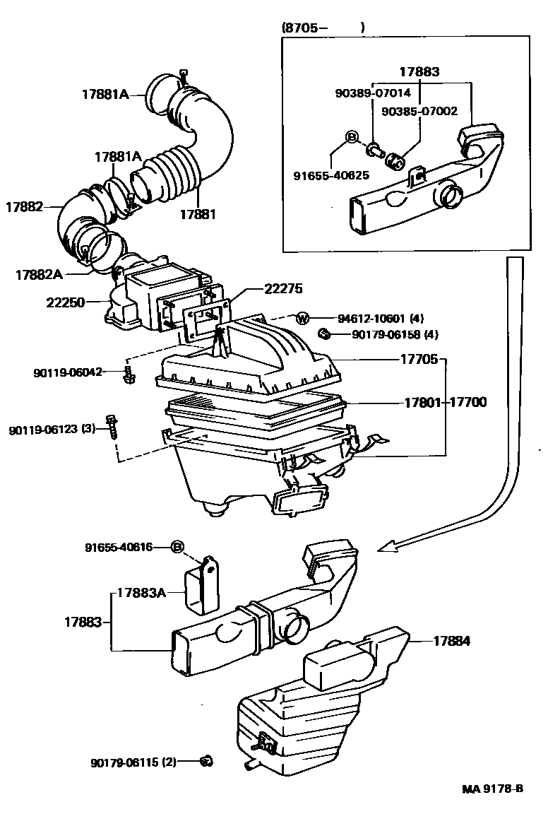
AIR CLEANER

Parts diagram
17700CLEANER ASSY, AIR
main17700-62020i198802-198808
main17700-74100i198710-198808
17705CAP SUB-ASSY, AIR CLEANER
main17705-62020i198802-198808
main17705-74070i198710-198808
17801ELEMENT SUB-ASSY, AIR CLEANER FILTER
main17801-74010i198608-198710
main17801-74020i198802-198808
17881HOSE, AIR CLEANER, NO.1
main17881-62020i198802-198808
main17881-74110i198608-198710
17881ACLAMP(FOR AIR CLEANER HOSE, NO.1)
main96111-10730i198608-198710
HOSE SIDE
main96111-10750i198710-198808
NO.1; THROTTLE BODY SIDE
main96111-10900i198802-198808
NO.2
17882HOSE, AIR CLEANER, NO.2
main17882-74040i198608-198710
17882ACLAMP(FOR AIR CLEANER HOSE, NO.2)
main96111-10800i198608-198710
17883HOSE, AIR CLEANER, NO.3
main17882-63110i198608-198710
17883ACLAMP(FOR AIR CLEANER HOSE, NO.3)
main90460-01046i198608-198705
17884HOSE, AIR CLEANER, NO.4
main17883-62010i198802-198808
main17883-63030i198710-198808
22250METER ASSY, INTAKE AIR FLOW
main22250-62020i198802-198808
main22250-74100i198608-198808
main22250-74140i198710-198808
22275GASKET, AIR FLOW METER
main22275-41010i198608-198710
main22275-43010i198802-198808
9011906042
9011906123
9017906115
9017906158
9038507002
9038907014
9165540616
9165540625
9461210601

21 parts on this diagram · 2 diagrams in section

AIR CLEANER — Toyota Parts Diagram with OEM Numbers & Prices | EPC Data