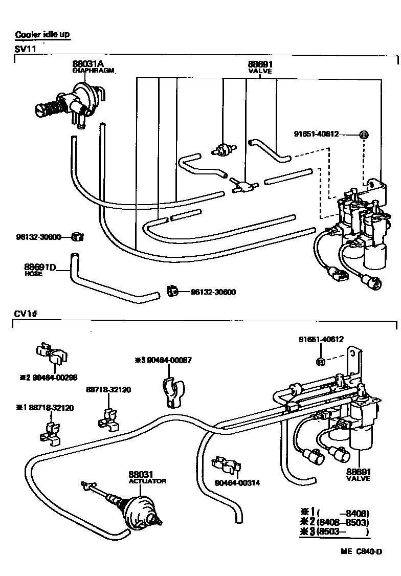
HEATING & AIR CONDITIONING - VACUUM PIPING

88031ACTUATOR SET, IDLE-UP
88031ADIAPHRAGM SUB-ASSY, IDLE-UP ACTUATOR
88691VALVE, MAGNET (FOR IDLE UP DEVICE)
W/COOLER
88691DHOSE, VACUUM (FOR IDLE UP DIVICE), NO.2
L=150
8871832120PIPE, COOLER REFRIGERANT SUCTION, NO.2
main88718-32120
9046400087
main90464-00087
9046400298
main90464-00298
9046400314
main90464-00314
9165140612
main91651-40612
9613230600
main96132-30600
10 parts on this diagram · 2 diagrams in section