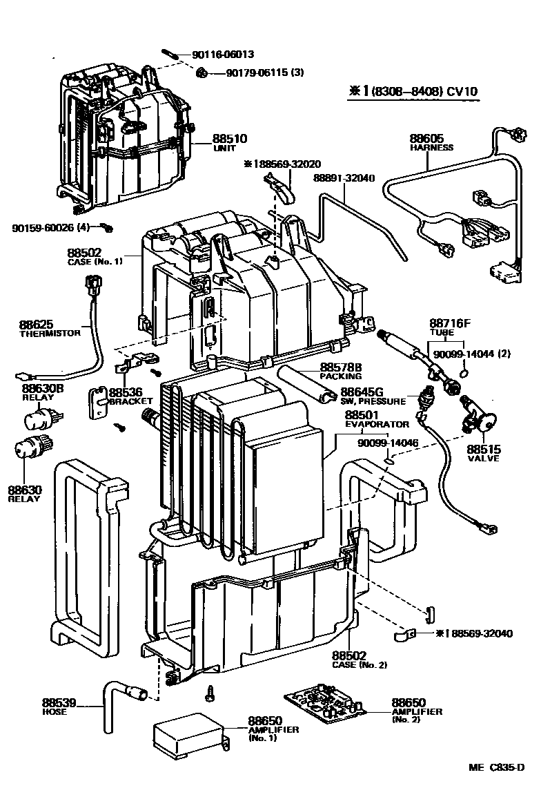
HEATING & AIR CONDITIONING - COOLER UNIT

88501EVAPORATOR SUB-ASSY, COOLER, NO.1
88502CASE SUB-ASSY, COOLING UNIT
NO.1
NO.2
88510UNIT ASSY, COOLER
88515VALVE, COOLER EXPANSION
88536BRACKET, COOLING UNIT, NO.1
88539HOSE, COOLER UNIT DRAIN, NO.1
88578BPACKING, COOLING UNIT, NO.1
88605HARNESS SUB-ASSY, COOLER WIRING, NO.1
88625THERMISTOR, COOLER, NO.1
88630RELAY ASSY, COOLER
88630BRELAY ASSY, COOLER
88645GSWITCH, PRESSURE
88650AMPLIFIER ASSY, COOLER STABILIZER
NO.2
NO.1
NO.1
NO.2
88716FPIPE, COOLER REFRIGERANT LIQUID, F
8856932020CLAMP (FOR COOLER RELAY)
main88569-32020
8856932040CLAMP (FOR COOLER RELAY)
main88569-32040
8889132040PACKING (FOR COOLER)
main88891-32040
9009914044
main90099-14044
9009914046
main90099-14046
9011606013
main90116-06013
9015960026
main90159-60026
9017906115
main90179-06115
22 parts on this diagram · 2 diagrams in section