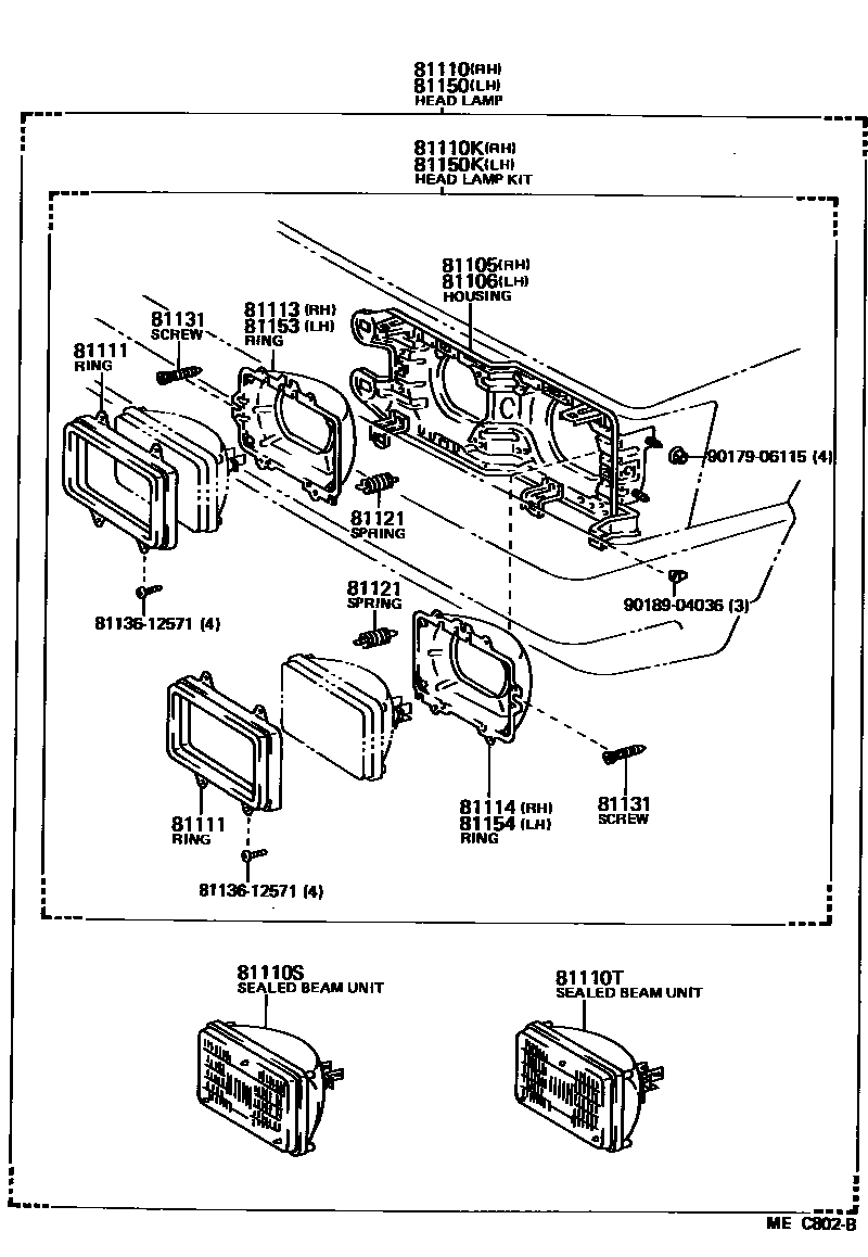
HEADLAMP

81105HOUSING SUB-ASSY, HEADLAMP, RH
81106HOUSING SUB-ASSY, HEADLAMP, LH
81110HEADLAMP ASSY, RH
HALOGEN
81110KHEADLAMP KIT, W/O SEALED BEAM, RH
HALOGEN
81110SSEALED BEAM UNIT, NO.1
12V 50W,*HAL,*WB,12V 50W,HALOGEN
12V 50W,*WB,12V 50W
81110TSEALED BEAM UNIT, NO.2
12V 40/60W
12V 40/60W,*HAL,*WB,12V 40/60W,HALOGEN
81111RING, SEALED BEAM RETAINING
81113RING, SEALED BEAM MOUNTING, NO.1 RH
81114RING, SEALED BEAM MOUNTING, NO.2 RH
81121SPRING, HEADLAMP TENSION
81131SCREW, HEADLAMP ADJUSTING
81150HEADLAMP ASSY, LH
HALOGEN
81150KHEADLAMP KIT, W/O SEALED BEAM, LH
HALOGEN
81153RING, SEALED BEAM MOUNTING, NO.1 LH
81154RING, SEALED BEAM MOUNTING, NO.2 LH
8113612571PROTECTOR, HEADLAMP, NO.1 RH
main81136-12571
9017906115
main90179-06115
9018904036
main90189-04036
18 parts on this diagram · 3 diagrams in section