E
EPC Data

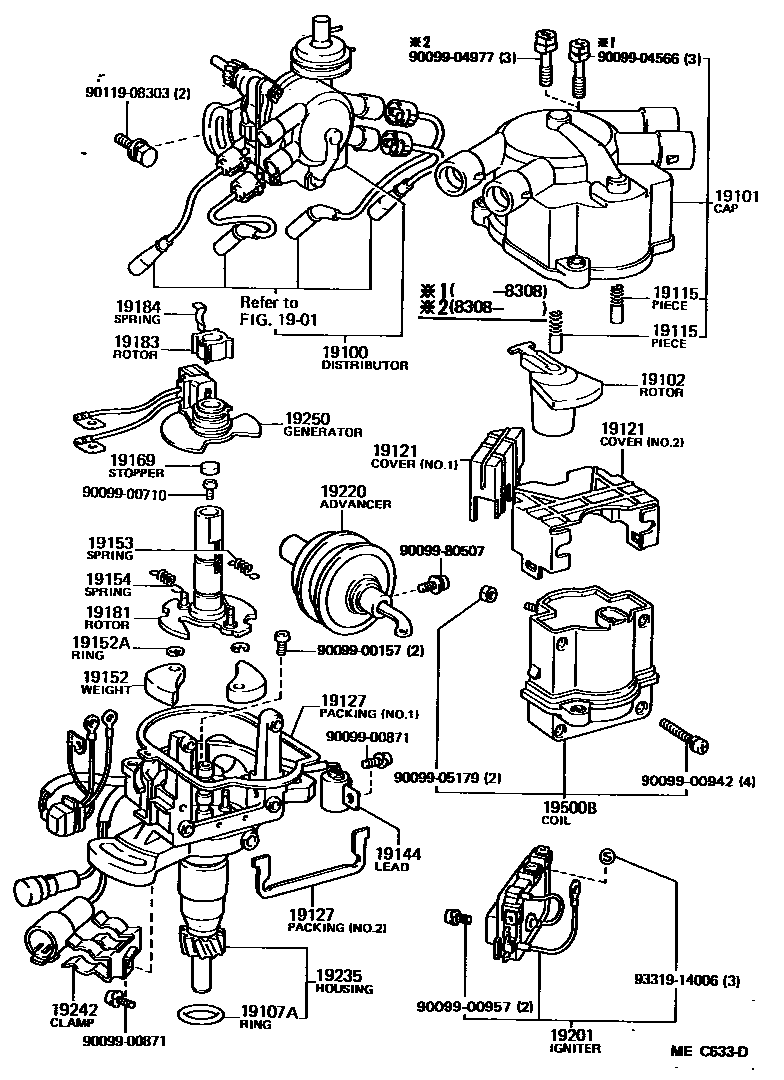
DISTRIBUTOR

Parts diagram
1901
19100DISTRIBUTOR ASSY
main19030-74020i198301-198607
main19040-74010i198508-198607
19101CAP SUB-ASSY, DISTRIBUTOR
main19101-63010i198301-198308
main19101-63011i198308-198607
19102ROTOR SUB-ASSY, DISTRIBUTOR
main19102-16060i198601-198607
main19102-35160i198508-198601
main19102-63010i198301-198607
19107ARING, O, DISTRIBUTOR HOUSING
main90099-14020i198301-198607
19115PIECE, DISTRIBUTOR CAP, CENTER
main19115-50010i198301-198308
main19115-63010i198308-198503
main19115-71010i198503-198607
19121COVER, DUST PROOF
main19121-63010i198301-198607
NO.1
main19121-63040i198301-198607
NO.2
19127PACKING, DUST PROOF
main19127-63010i198301-198607
NO.1
main19127-63020i198301-198607
NO.2
19144LEAD, DISTRIBUTOR BREAKER
main19144-63050i198301-198308
main19144-63052i198308-198607
main19144-63070i198508-198607
19152WEIGHT, GOVERNOR
main19152-44170i198301-198308
main19152-63010i198308-198607
19152ARING, SNAP(FOR GOVERNOR WEIGHT)
main90099-07109i198301-198308
main90099-07122i198308-198607
19153SPRING, GOVERNOR, A
main19153-26232i198301-198308
main19153-74020i198308-198607
19154SPRING, GOVERNOR, B
main19153-26232i198301-198308
main19153-74020i198308-198607
19169STOPPER, CAM GREASE
main19169-32010i198301-198607
19181ROTOR, DISTRIBUTOR, SIGNAL
main19181-74020i198301-198607
19183ROTOR, SIGNAL
main19183-63010i198301-198607
19184SPRING, ROTOR SET
main19184-63010i198301-198607
19201IGNITER
main89620-14210i198301-198607
19220ADVANCER ASSY, VACUUM, DISTRIBUTOR
main19220-74020i198301-198607
19235HOUSING, DISTRIBUTOR
main19235-63010i198301-198308
main19235-63011i198308-198408
main19235-63013i198408-198607
main19235-63090i198508-198607
19242CLAMP, CORD
main19242-63020i198301-198607
main19242-74010i198508-198607
19250GENERATOR ASSY, SIGNAL
main19251-63010i198301-198308
main19251-63011i198308-198607
19500BCOIL ASSY, IGNITION
main90919-02135i198301-198607
9009900157
9009900710
9009900871
9009900942
9009900957
9009904566
9009904977
9009905179
9009980507
9011908303
9331914006

34 parts on this diagram · 2 diagrams in section

DISTRIBUTOR — Toyota Parts Diagram with OEM Numbers & Prices | EPC Data