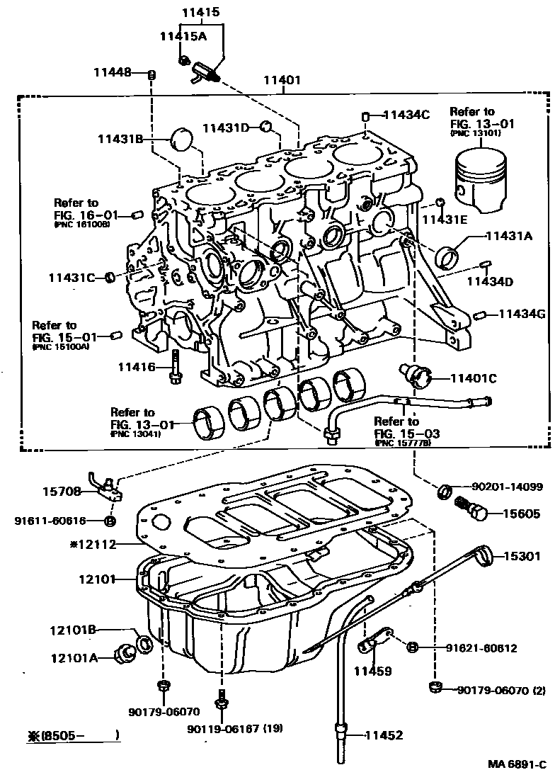
CYLINDER BLOCK

11401BLOCK SUB-ASSY, CYLINDER
11401CFLANGE(FOR WATER BY-PASS)
11415COCK SUB-ASSY, WATER DRAIN(FOR CYLINDER BLOCK)
11415APLUG, WATER DRAIN COCK(FOR CYLINDER BLOCK)
11416BOLT(FOR CRANKSHAFT BEARING CAP SET)
*10-1.25PX67-18
*12-1.25PX80-24
11431APLUG, TIGHT, NO.1(FOR CYLINDER BLOCK)
OD=35
11431BPLUG, TIGHT, NO.2(FOR CYLINDER BLOCK)
OD=30
OD=40
11431CPLUG, TIGHT, NO.3(FOR CYLINDER BLOCK)
OD=18
11431DPLUG, TIGHT, NO.4(FOR CYLINDER BLOCK)
OD=18
11431EPLUG, TIGHT, NO.5(FOR CYLINDER BLOCK)
OD=18
11434CPIN, STRAIGHT (FOR CYLINDER HEAD SET)
L=9,OD=14
11434DPIN, STRAIGHT(FOR ENGINE REAR OIL SEAL)
L=14,OD=6
L=11,OD=6
11434GPIN, STRAIGHT(FOR END PLATE)
11448ORIFICE, CYLINDER BLOCK OIL
11452GUIDE, OIL LEVEL GAGE
11459SUPPORT, OIL LEVEL GAGE GUIDE
12101PAN SUB-ASSY, OIL
12101APLUG(FOR OIL PAN DRAIN)
12101BGASKET(FOR OIL PAN DRAIN PLUG)
12112PAN, OIL NO.2
1301CRANKSHAFT & PISTON
1501ENGINE OIL PUMP
1503ENGINE OIL COOLER
15301GAGE SUB-ASSY, OIL LEVEL
15605VALVE SUB-ASSY, OIL CHECK
15708NOZZLE SUB-ASSY, OIL, NO.1
1601WATER PUMP
9011906167
main90119-06167
9017906070
main90179-06070
9020114099
main90201-14099
9161160616
main91611-60616
9162160612
main91621-60612
32 parts on this diagram · 2 diagrams in section