E
EPC Data

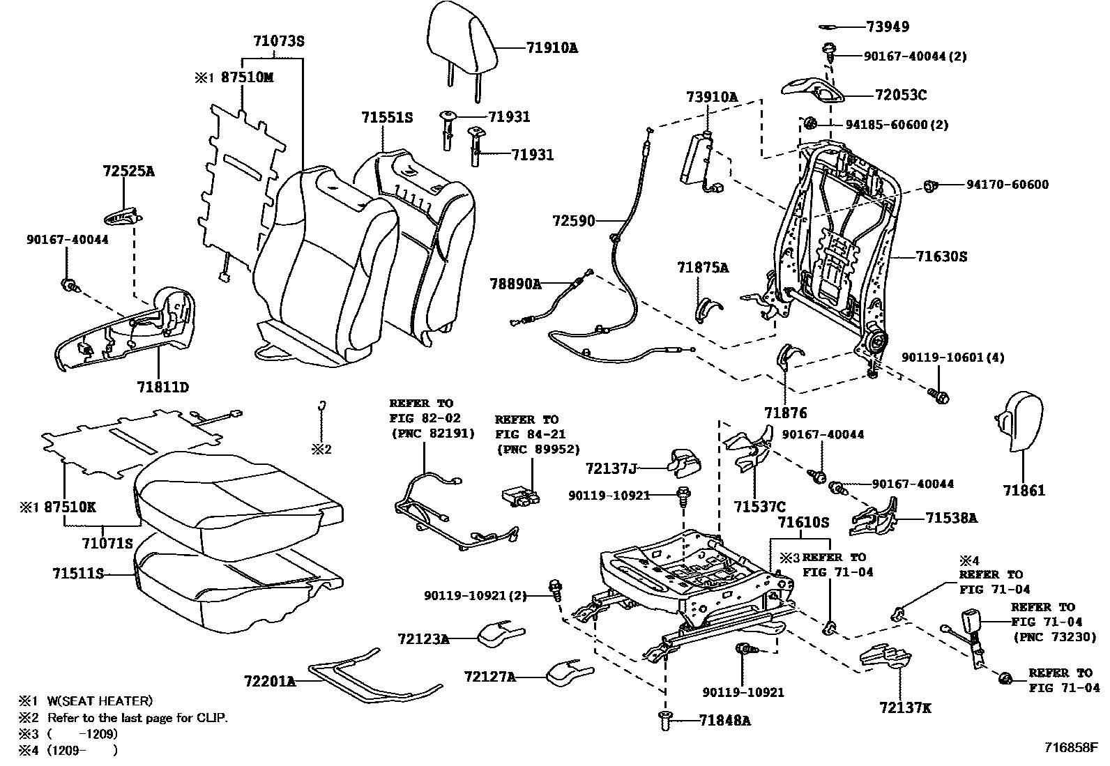
FRONT SEAT & SEAT TRACK

Parts diagram
7104SEAT BELT & CHILD RESTRAINT SEAT
71071SCOVER, FRONT SEAT CUSHION, RH(FOR SEPARATE TYPE)
main71071-21420-C0i201206-201208
RS 8.0,BLACK,TRIM10
main71071-21470-C1supersedes 71071-21460-B1i201008-201305
SEAT COVER MATERIAL-NATURAL LEATHER,BLACK,TRIM1#
main71071-21470-C2supersedes 71071-21460-B1i201401-201606
WIRELESS DOOR LOCK-W(PANIC) & W(SMART ENTRY:FRONT & BACK)&SEAT COVER MATERIAL-NATURAL LEATHER,BLACK,TRIM1#
main71071-21480-F0i201107-201109
SPECIAL EDITION,YELLOW/DARK GRAY,TRIM10
main71071-21500-B0i201305-201307
LIMITED PACKAGE-SCION 10,DARK GRAY,TRIM10
main71071-21510-C0i201412-201502
LIMITED PACKAGE-SPECIAL EDITION,BLACK/DARK GRAY,TRIM10
main71071-21520-C0i201605-201606
LIMITED PACKAGE-RS10.0,BLACK,TRIM10
71073SCOVER, FRONT SEATBACK, RH(FOR SEPARATE TYPE)
main71073-21460-C0i201206-201208
RS 8.0,BLACK,TRIM10
main71073-21510-C2supersedes 71073-21530-B1i201008-201305
SEAT COVER MATERIAL-NATURAL LEATHER,BLACK,TRIM1#
main71073-21510-C4supersedes 71073-21530-B1i201401-201606
WIRELESS DOOR LOCK-W(PANIC) & W(SMART ENTRY:FRONT & BACK)&SEAT COVER MATERIAL-NATURAL LEATHER,BLACK,TRIM1#
main71073-21520-F0i201107-201109
SPECIAL EDITION,YELLOW/DARK GRAY,TRIM10
main71073-21560-C0i201605-201606
LIMITED PACKAGE-RS10.0,BLACK,TRIM10
main71073-21570-B0i201305-201307
LIMITED PACKAGE-SCION 10,DARK GRAY,TRIM10
main71073-21580-C0i201412-201502
LIMITED PACKAGE-SPECIAL EDITION,BLACK/DARK GRAY,TRIM10
71511SPAD, FRONT SEAT CUSHION, RH(FOR SEPARATE TYPE)
main71511-21110i201305
71537CPROTECTOR, FRONT SEAT CUSHION EDGE, RH
main71537-21010-B0i201008-201305
DK.GRAY,TRIM1#
71538APROTECTOR, FRONT SEAT CUSHION EDGE, LH(FOR RH SEAT)
main71538-21010-B0i201008-201305
DK.GRAY,TRIM1#
71551SPAD, FRONT SEATBACK, RH(FOR SEPARATE TYPE)
main71551-21110i201008-201305
71610SSPRING ASSY, FRONT SEAT CUSHION, RH(FOR SEPARATE TYPE)
main71610-21010i201008-201209
main71610-21011i201305
71630SSPRING ASSY, FRONT SEATBACK, RH(FOR SEPARATE TYPE)
main71630-21030i201008-201106
main71630-21031i201305
71811DSHIELD, FRONT SEAT CUSHION, RH
main71811-21060-B0i201305-201606
DK.GRAY,TRIM1#
71848ACAP, SEAT ADJUSTER COVER, RH
main71848-26010×2i201008-201305
71861SHIELD, FRONT SEAT CUSHION, INNER RH
main71861-21040-B0i201008-201305
DK.GRAY,TRIM1#
71875ACOVER, RECLINING ADJUSTER INSIDE, RH
main71875-60260-B1i201008-201305
DK.GRAY,TRIM1#
71876COVER, RECLINING ADJUSTER INSIDE, LH
main71876-60270-B1i201305-201606
DK.GRAY,TRIM1#
71910AHEADREST ASSY, FRONT SEAT
main71910-21290-C2×2supersedes 71910-21410-B0i201008-201305
SEAT COVER MATERIAL-NATURAL LEATHER,BLACK,TRIM1#
main71910-21300-C0×2i201206-201208
RS 8.0,BLACK,TRIM10
main71910-21310-B0×2i201107-201109
SPECIAL EDITION,DARK GRAY,TRIM10
main71910-21330-B0×2i201605-201606
LIMITED PACKAGE-RS10.0,DARK GRAY,TRIM10
main71910-21370-B0×2i201305-201307
LIMITED PACKAGE-SCION 10,DARK GRAY,TRIM10
main71910-21380-B0×2i201412-201502
LIMITED PACKAGE-SPECIAL EDITION,DK.GRAY,TRIM10
main71910-21420-C0×2supersedes 71910-21410-B0i201408-201606
WIRELESS DOOR LOCK-W(PANIC) & W(SMART ENTRY:FRONT & BACK)&SEAT COVER MATERIAL-NATURAL LEATHER,BLACK,TRIM1#
71931SUPPORT, FRONT SEAT HEADREST
main71930-47020-B2×2supersedes 71931-47020-B2i201605-201606
W(LOCK),LIMITED PACKAGE-RS10.0,DK.GRAY,TRIM1#
main71931-47020-B2×2i201605-201606
W/O(LOCK),LIMITED PACKAGE-RS10.0,DK.GRAY,TRIM1#
72053CLEVER SUB-ASSY, RECLINING REMOTE CONTROL, RH
main72053-21010-B0i201305-201606
DK.GRAY,TRIM1#
72123ACOVER, SEAT TRACK BRACKET, OUTER FRONT RH
main72123-21010-B0i201008-201305
DK.GRAY,TRIM1#
72127ACOVER, SEAT TRACK BRACKET, INNER FRONT RH
main72123-21010-B0i201008-201305
DK.GRAY,TRIM1#
72137JCOVER, FRONT SEAT TRACK, RH REAR OUTER
main72137-21030-B0i201008-201305
DK.GRAY,TRIM1#
72137KCOVER, FRONT SEAT TRACK, RH REAR INNER
main72157-21030-B0i201008-201305
DK.GRAY,TRIM1#
72201AHANDLE SUB-ASSY, SEAT TRACK RH
main72211-21030i201008-201305
72525AHANDLE, RECLINING ADJUSTER RELEASE, RH
main72525-47010-B1i201008-201305
DK.GRAY,TRIM1#
72590CABLE ASSY, SEATBACK CONTROL
main72590-21021i201008-201106
main72590-21022i201106-201305
73910AAIRBAG ASSY, FRONT SEAT, RH
main73910-21030i201008-201305
73949CAP
main71848-21010-B0×2i201008-201305
DK.GRAY,TRIM1#
78890ACABLE ASSY, SUB-SEAT LOCK CONTROL
main78890-21010i201008-201305
8202WIRING & CLAMP
87510KHEATER ASSY, FRONT SEAT CUSHION, RH
main87510-21010i201008-201305
SEAT COVER MATERIAL-NATURAL LEATHER
87510MHEATER ASSY, FRONT SEATBACK, RH
main87530-21010i201008-201305
SEAT COVER MATERIAL-NATURAL LEATHER
9011910601
9011910921
9016740044
9417060600
9418560600

36 parts on this diagram · 3 diagrams in section

FRONT SEAT & SEAT TRACK — Toyota Parts Diagram with OEM Numbers & Prices | EPC Data