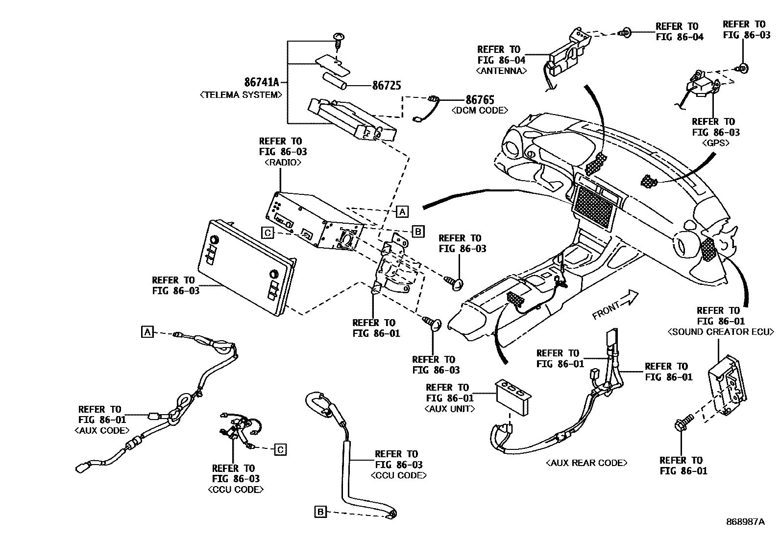
TELEPHONE & MAYDAY

8601RADIO RECEIVER & AMPLIFIER & CONDENSER
8603NAVIGATION & FRONT MONITOR DISPLAY
8604ANTENNA
86725BATTERY, MOBILEPHONE
86741ATRANSCEIVER, TELEMATICS
86765CODE, TELEPHONE ANTENNA
6 parts on this diagram · 2 diagrams in section

6 parts on this diagram · 2 diagrams in section