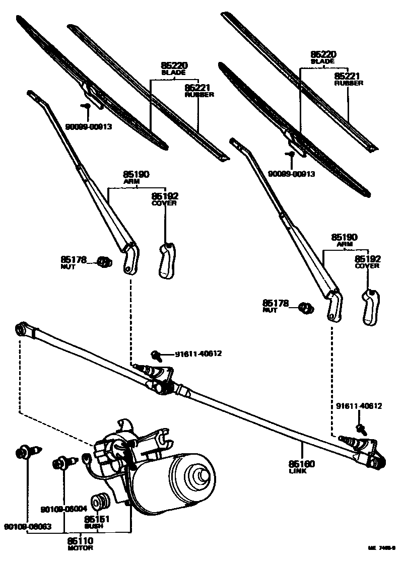
WINDSHIELD WIPER

85110MOTOR ASSY, WINDSHIELD WIPER
85151BUSH, WINDSHIELD WIPER MOTOR GEAR HOUSING COVER
85160LINK ASSY, WINDSHIELD WIPER
85178NUT (FOR FRONT WIPER ARM SETTING)
85190ARM ASSY, WINDSHIELD WIPER
DRIVER SIDE
ASSIST SIDE
85192COVER, WINDSHIELD WIPER ARM
DRIVER SIDE
85220BLADE ASSY, WINDSHIELD WIPER
85221BLADE, WINDSHIELD WIPER
9009900913
main90099-00913
9010906004
main90109-06004
9010906063
main90109-06063
9161140612
main91611-40612
12 parts on this diagram · 1 diagram in section