E
EPC Data

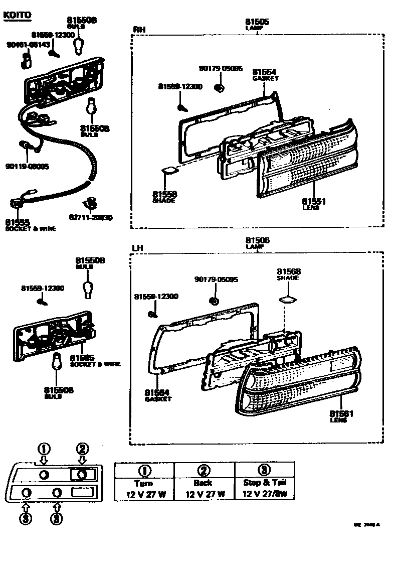
REAR COMBINATION LAMP

Parts diagram
81505LAMP SUB-ASSY, REAR COMBINATION, RH
main81505-29155i197809-198008
KOITO
main81505-29156i198008-198112
main81505-29175i197809-198008
IKI
main81505-29195i197809-198008
main81505-29196i198008-198112
81506LAMP SUB-ASSY, REAR COMBINATION, LH
main81506-29075i197809-198008
KOITO
main81506-29076i198008-198112
main81506-29095i197809-198008
IKI
main81506-29115i197809-198008
main81506-29116i198008-198112
81550LAMP ASSY, REAR COMBINATION, RH
main81550-29885i197809-198008
main81550-80082i198008-198112
81550BBULB(FOR REAR COMBINATION LAMP)
main99132-11270×4i197809-198112
12V 27W,12V 27W
main99132-21270×4i197809-198112
12V 27/8W,12V 27/8W
81551LENS, REAR COMBINATION LAMP, RH
main81551-20480i197809-198008
KOITO
main81551-20481i198008-198112
main81551-20510i197809-198008
IKI
main81551-20540i197809-198008
main81551-20541i198008-198112
main81551-91255i197809-198008
AMBER-CLEAR
main81551-91260i198008-198112
81554GASKET, REAR COMBINATION LAMP BODY, RH
main81552-20480i197809-198008
KOITO
main81552-20481i198008-198112
main81552-20540i197809-198008
main81552-20541i198008-198112
main81554-20510i197809-198008
IKI
main81554-91255i197809-198112
81555SOCKET & WIRE SUB-ASSY, REAR COMBINATION LAMP, RH
main81555-20500i197809-197908
KOITO
main81555-20501i197908-198008
KOITO
main81555-20502i198008-198112
main81555-20530i197809-197908
IKI
main81555-20532i197908-198008
IKI
main81555-20560i197809-197908
main81555-20561i197908-198008
main81555-20563i198008-198112
main81555-23130i198008-198112
main81555-91257i197809-198008
81558SHADE, REAR COMBINATION LAMP, NO.1 RH
main81517-14170×3i197809-198008
KOITO
main81557-20480i198008-198112
81561LENS, REAR COMBINATION LAMP, LH
main81561-20420i197809-198008
KOITO
main81561-20421i198008-198112
main81561-20450i197809-198008
IKI
main81561-20480i197809-198008
main81561-20481i198008-198112
main81561-91255i197809-198008
AMBER-CLEAR
main81561-91260i198008-198112
81564GASKET, REAR COMBINATION LAMP BODY, LH
main81552-20480i197809-198008
KOITO
main81552-20481i198008-198112
main81552-20540i197809-198008
main81552-20541i198008-198112
main81554-91255i197809-198112
main81564-20450i197809-198008
IKI
81565SOCKET & WIRE SUB-ASSY, REAR COMBINATION LAMP, LH
main81555-23130i198008-198112
main81555-91257i197809-198008
main81565-20440i197809-198008
KOITO
main81565-20441i198008-198112
main81565-20470i197809-198008
IKI
main81565-20500i197809-198008
main81565-20501i198008-198112
81568SHADE, REAR COMBINATION LAMP, NO.1 LH
main81517-14170i197809-198008
KOITO
main81557-20480i198008-198112
8155912300MOULDING, REAR COMBINATION LAMP, RH
8271120030WIRE, FUSE TO FUSE(FOR COMBUSTION HEATER)
9011906005
9017905095
9046106143

17 parts on this diagram · 7 diagrams in section

REAR COMBINATION LAMP — Toyota Parts Diagram with OEM Numbers & Prices | EPC Data